彩虹多多



热门关键词: 彩虹多多:高压开关动作特性测试仪 断路器特性测试仪 变压器综合测试系统 承装承试设备选型 高压开关测试仪 变压器综合测试 串联谐振

联系彩虹多多

及时联系彩虹多多 为您解答产品相关疑问 欢迎拨打全国统一服务热线

销售电话: 027-8777 1781
                027-8777 1782
服务电话 133 9713 6633 
传真电话: 027-8777 1786
电子邮箱: whhdgk@126.com

武汉彩虹多多KZX系列调压控制箱使用说明

您的位置:彩虹多多 >> 服务支持 >> 技术文章

武汉彩虹多多控制台适用于0.5-5kVA试验变压器的调压控制。过调整自耦变压器输出电压,从而实现试验变压器额定电压范围内的工作调节。控制台内装有高压输出电压表,低压输出电流表,可以方便地读出试验电压值。通过过流保护电路,可靠地保护设备,设计的计时报警电路,做试验时更便捷。经用户使用证明,其原理简单,结构紧凑,工作可靠,使用方便,是高压试验的理想设备。

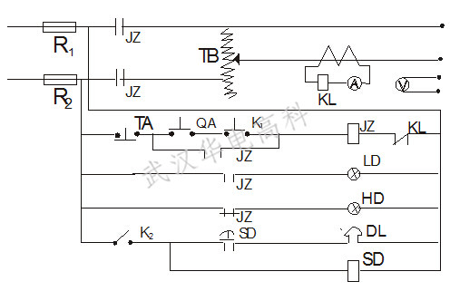
操作箱电气原理图

1_副本

 



使用方法及注意事项:

1.核对试验变压器测量绕组额定输出电压,使之与操作箱匹配无误.

2.按接线示意图接好实验变压器与操作箱(台)之间连线.

3.接通电源,合上刀开关,电源指示灯亮,设定时间继电器的工作时间.

4.将调压器回零,按下启动按扭,顺时针旋转手轮,直至达到所需值.

5.开启计时开关,计时开始,到达设定时间电铃自动报警(无报警功能的则人为控制时间)然后断开计时开关.

6.试验完毕,将调压器调零,按下停止按钮,切断电源,解除接线。

7.在试验过程中,如发现异常或冒烟,有异味等,应立即停止升压,迅速降压至零位.检查无误后,方可重新开始。

8.严禁在正常工作时切断电源或不在零电压时加压。

9.长期未用的设备,在重新使用时必须用兆欧表进行绝缘测量,确定阻值不低于0.5兆欧,方可继续使用.

10.使用本产品进行高压试验,除熟悉本说明书外,还须熟悉《电气设备预防性试验规程》。

电气外部连接示意图

2_副本

 



彩虹多多主要经营电气设备、电子产品、仪器仪表制造、安装;计算机软件开发;电子元器件、电线电缆、五金交电批发等串联谐振实验装置、绝缘耐压测试设备、避雷器电缆测试设备、继保/回路测试设备、开关断路器检测设备、蓄电池/直流测试设备等。彩虹多多供应电力检测设备、高压试验设备、电力实验设备、电力检修设备等产品,真正的为客户创造价值、节省费用,实现“设备永续、设备无忧”!


  有关产品购买、信息咨询、技术资料等欢迎致电:027-87771780 或是 点击了解更多详细方案
上一篇: 彩虹多多:为什么要使用安全用具进行试验以及安全用具试验的认识
下一篇: 彩虹多多:在微机继电保护装置的运行管理工作中,网、省调继电保护专业部门的职责
版权说明:本站所有文章、图片、视频等资料的版权均属于彩虹多多官网-追求健康,你我一起成长 chdd ,其他任何网站或单位未经允许禁止转载、用于商业盈利,违者必究。如需使用,请与彩虹多多 联系;允许转载的文章、图片、视频等资料请注明出处"来自:武汉彩虹多多"。

荣誉客户

荣誉资质