彩虹多多



热门关键词: 高压开关动作特性测试仪 断路器特性测试仪 变压器综合测试系统 承装承试设备选型 高压开关测试仪 变压器综合测试 串联谐振

联系彩虹多多

及时联系彩虹多多 为您解答产品相关疑问 欢迎拨打全国统一服务热线

销售电话: 027-8777 1781
                027-8777 1782
服务电话 133 9713 6633 
传真电话: 027-8777 1786
电子邮箱: whhdgk@126.com

HZGF系列智能型直流高压发生器操作步骤

您的位置:彩虹多多 >> 服务支持 >> 技术文章

HZGF系列智能型直流高压发生器操作步骤:

● 控制箱上的显示灯、开关、旋钮等已标清楚,看此操作说明时请参照控制箱的面板上元器件名称使用

●倍压筒底盘侧面有(四)五芯插座为联接控制箱电缆之插座,底盘侧面有铜接线柱为接地端子作连接地线用。

●附带的高压屏蔽电流表为数显微安表,表顶端上的插孔为连接被试品的线插孔,同时也作为电源开关,不用时请拔掉插头,就自动关闭电源。换电池时请将后盖旋下,换好后请将后盖旋紧。

直流高压发生器使用前准备直流高压发生器使用前准备

QQ截图20160328095157 

空载升压试验并验证过电压保护整定

1.接通电源开关,此时绿灯亮,表示电源接通。

2.按红色按钮,则红灯亮,表示高压接通。

3.顺时针方向平缓调节调压电位器,输出端即从零开始升压。升至所需电压后,按规定时间记录电流表读数,并检查控制箱及输出电缆有无异常现象及声响。必要时用外接高压分压器校准控制箱上的直流高压指示。

4.升电压至过压保护设定值,机内保护电路应动作,绿灯亮、红灯灭。

5.将调压电位器回零,关闭电源开关。

直流高压发生器几种测试方法

1.一般测量时,当接好线后,先把联接试品的线悬空,升到试验电压后读取空试时的电晕和杂散电流I’,然后接上试品升到试验电压读取总电流I1。 试品泄漏电流:I0 = I1 –I’

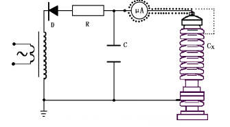
2.当需要精密测量被试品泄漏电流时,则应在高压侧串入GL型高压微安表(见图5a)。

QQ截图20160328095641 

图5 a 微安表接入试品Cχ高压侧接线图

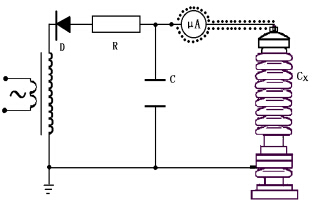
微安表必须有金属屏蔽,应采用屏蔽线与试品联接。高压引线的屏蔽引出应与仪表端的屏蔽紧密联接。如果要排除试品表面泄漏电流的影响可在试品高电位端用裸金属软线紧密绕几圈后与高压引线的屏蔽相联接(见图5b)。

QQ截图20160328095849 

b 排除试品Cχ表面影响接线图

3.对氧化锌、磁吹避雷器等试品接地端可分开的情况下,也可采用在试品的底部(地电位侧)串入电流表进行测量的方式。但也必须使用屏蔽线(见图6a)。当要排除试品表面泄漏电流的影响,可用软的裸铜线在试品地电位端绕 上几圈并与屏蔽线的屏蔽相联接(见图6b)

QQ截图20160328100115

 


4.试验完毕,将调压电位器逆时针回到零,按下绿色按钮,关闭电源开关。

5.对于氧化锌避雷器等小电容试品一般通过倍压筒内部测压电阻放电即可。而对电缆等大电容试品一般要待试品电压自放电至试验电压的20%以下,再通过配套的放电棒进行放电。待试品充分放电后并挂好接地线,才允许进行高压引线的拆除和更换接线工作。

直流高压发生器保护动作后的操作

在使用过程中发现红灯灭,绿灯亮,直流高压下降,即为有关保护动作。此时应按下列步骤操作。

1.关闭电源开关,面板指示灯均不亮

2.将调压电位器退回零位。

3.一分钟后待机内低压电容器充分放电后才允许再次打开电源开关。重新进行空载试验并查明情况后可再次升压试验。


 有关产品购买、信息咨询、技术资料等欢迎致电:027-87771780 或是 点击了解更多详细方案
上一篇: 测量断路器操动机构测量最低动作电压试验方法
下一篇: 微机保护装置静态试验的三种状态
版权说明:本站所有文章、图片、视频等资料的版权均属于彩虹多多官网-追求健康,你我一起成长 chdd ,其他任何网站或单位未经允许禁止转载、用于商业盈利,违者必究。如需使用,请与彩虹多多 联系;允许转载的文章、图片、视频等资料请注明出处"来自:武汉彩虹多多"。

荣誉客户

荣誉资质