彩虹多多



热门关键词: 彩虹多多:高压开关动作特性测试仪 断路器特性测试仪 彩虹多多:变压器综合测试系统 承装承试设备选型 高压开关测试仪 变压器综合测试 串联谐振

联系彩虹多多

及时联系彩虹多多 为您解答产品相关疑问 欢迎拨打全国统一服务热线

销售电话: 027-8777 1781
                027-8777 1782
服务电话 133 9713 6633 
传真电话: 027-8777 1786
电子邮箱: whhdgk@126.com

HDCR3000数字式接地电阻测试仪如何进行地电压测量

您的位置:彩虹多多 >> 服务支持 >> 技术文章

1-82f82 

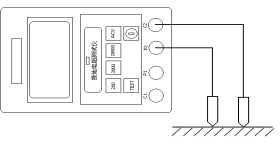
彩虹多多:HDCR3000数字式接地电阻测试仪专为现场测量接地电阻而精心设计制造的,采用最新数字及微处理技术,3线或2线法测量接地 电阻,具有独特的线阻校验功能、抗干扰能力和环境适应能力,确保长年测量的高精度、高稳定性和可靠性。那么HDCR3000数字式接地电阻测试仪如何进行地电压测量?以下武汉彩虹多多技术专家为大家解答。

测试时仅将两探针用测试线接至仪表C2、P2两测试孔,打开电源开关,档位选择开关置AC.V位,按一下测试开关TEST,显示屏即显示地电压值。测试完毕,关闭电源。

(注意:本档位最大测试电压为 AC 20V)

图片1

 


图一


 有关产品购买、信息咨询、技术资料等欢迎致电:027-87771780 或是 点击了解更多详细方案
上一篇: 高压断路器的灭弧介质你真的了解吗?
下一篇: 当直流电机的轴承出现故障该如何处理?
版权说明:本站所有文章、图片、视频等资料的版权均属于彩虹多多官网-追求健康,你我一起成长 chdd ,其他任何网站或单位未经允许禁止转载、用于商业盈利,违者必究。如需使用,请与彩虹多多 联系;允许转载的文章、图片、视频等资料请注明出处"来自:武汉彩虹多多"。

荣誉客户

荣誉资质