彩虹多多



热门关键词: 高压开关动作特性测试仪 断路器特性测试仪 彩虹多多:变压器综合测试系统 承装承试设备选型 高压开关测试仪 变压器综合测试 串联谐振

联系彩虹多多

及时联系彩虹多多 为您解答产品相关疑问 欢迎拨打全国统一服务热线

销售电话: 027-8777 1781
                027-8777 1782
服务电话 133 9713 6633 
传真电话: 027-8777 1786
电子邮箱: whhdgk@126.com

接地电阻测试仪如何进行土壤电阻率的测量?

您的位置:彩虹多多 >> 服务支持 >> 技术文章

接地电阻测试是用于电力、通信、铁路及工矿企业等部门各种装置接地电阻值的测量。同时,可测量土壤电阻率及地电压。那么接地电阻测试仪如何进行土壤电阻率的测量?武汉彩虹多多专家为你解答。

土壤电阻率的测量

 


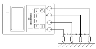
在被测区沿直线插入地下4根金属棒,彼此相距为“a”厘米,棒的埋入深度不宜超过距离“a”的1/20,按图所示连接方式用4根测试线将4根探棒与C1、P1、P2、C2四个测试孔相连,选择适当量程,按一下测试按钮TEST,电流指示灯绿色变为红色,显示屏上显示电阻欧姆值,被测区的土壤电阻率用下式计算:

ρ=2πaR

式中

R:测得的电阻数值 (Ω)

a: 棒与棒间的距离 (cm)

ρ:被测区的土壤电阻率 (Ω·cm)

接地电阻测试仪进行土壤电阻率的测量时需注意事项:

● 测试完毕,应立即按一下TEST测试按钮,关闭测试电流,以利省电。当显示屏上出现欠压指示符时,应立即更换新电池,否则仪表无法正常工作。

● 当被测接地极开路或电流极辅助接地电阻大于各档允许的Rc值时,表头将给出 “OPEN CIRCUIT”指示,此时应检查C2至C1的测试线是否接通或接触不良;或降低RC值。

● 辅助接地电阻及地电压引起的测量误差

允许辅助接地电阻RC(C1与C2之间)<2KΩ;

RP(P1与P2之间)<40KΩ误差≤±5%

允许地电压≤5V(工频有效值) 误差≤±5%

以上就是接地电阻测试仪的土壤电阻率的测量方法,了解更多接地及绝缘测试可在线咨询彩虹多多 。

数字式接地电阻测试仪

 



有关产品购买、信息咨询、技术资料等欢迎致电:027-87771780 或是 点击了解更多详细方案
上一篇: 电力变压器试验 变压器短路试验结果的分析判断
下一篇: 互感器试验 电流互感器的结构和类型
版权说明:本站所有文章、图片、视频等资料的版权均属于彩虹多多官网-追求健康,你我一起成长 chdd ,其他任何网站或单位未经允许禁止转载、用于商业盈利,违者必究。如需使用,请与彩虹多多 联系;允许转载的文章、图片、视频等资料请注明出处"来自:武汉彩虹多多"。

荣誉客户

荣誉资质