彩虹多多



热门关键词: 高压开关动作特性测试仪 断路器特性测试仪 变压器综合测试系统 承装承试设备选型 高压开关测试仪 变压器综合测试 串联谐振

联系彩虹多多

及时联系彩虹多多 为您解答产品相关疑问 欢迎拨打全国统一服务热线

销售电话: 027-8777 1781
                027-8777 1782
服务电话 133 9713 6633 
传真电话: 027-8777 1786
电子邮箱: whhdgk@126.com

避雷器计数器校验仪(交流)的原理

您的位置:彩虹多多 >> 服务支持 >> 技术文章

计数器动作的可靠性对于电力系统非常重要,它是记录避雷器在正常运行中受到雷击次数统计的一个重要参数。它能为电力系统的工作人员提供有针对性对避雷器进行检验的重要依据。那么避雷器计数器校验仪(交流)的原理?武汉彩虹多多电力测试专家为你解答。

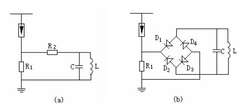
图1所示为JS型动作记数器的原理接线图。图1aJS型动作记数器的基本结构,即所谓的双阀片式结构。

避雷器放电计数器测试仪原理接线图 

1 JS型动作记数器的原理接线

(a)JS型; (b)JS-8

R1R2-非线形电阻;C-贮能电容器

L-记数器线圈; D1~4一硅二极管

当避雷器动作时,放电电流流过阀片R1,在R1上的压降经阀片R2给电容器C充电,然后C再对电磁式记数器的电感线圈L放电,使其转动1格,记1次数。改变R1R2的阻值,可使记数器具有不同的灵敏度。一般最小动作电流为100A8/20μs)的冲击电流。因R1上有一定的压降,将使避雷器的残压有所增加,故它主要用于40kV以上的高压避雷器。

1b)表示 JS8型动作记数器的结构,系整流式结构。避雷器动作时,高温阀片R1上的压降经全波整流给电容器C充电,然后C再对电磁式记数器的L放电,使其记数。该记数器的阀片R1的阻值较小(在10kA时的压降为1.1kV),通流容量较大(1200A方波),最小动作电流也为100A8/20s)的冲击电流。JS8型记数器可用于6.0330kV系统的避雷器,JS8A型记数器可用于500kV系统的避雷器。

避雷器放电计数器测试仪

 




有关产品购买、信息咨询、技术资料等欢迎致电:027-87771780 或是 点击了解更多详细方案
上一篇: 高压试验变压器的配套设备控制台常见的故障及原因
下一篇: 彩虹多多:接地电阻测试仪如何进行接地电阻的测量
版权说明:本站所有文章、图片、视频等资料的版权均属于彩虹多多官网-追求健康,你我一起成长 chdd ,其他任何网站或单位未经允许禁止转载、用于商业盈利,违者必究。如需使用,请与彩虹多多 联系;允许转载的文章、图片、视频等资料请注明出处"来自:武汉彩虹多多"。

荣誉客户

荣誉资质