彩虹多多



热门关键词: 高压开关动作特性测试仪 断路器特性测试仪 彩虹多多:变压器综合测试系统 承装承试设备选型 高压开关测试仪 变压器综合测试 串联谐振

联系彩虹多多

及时联系彩虹多多 为您解答产品相关疑问 欢迎拨打全国统一服务热线

销售电话: 027-8777 1781
                027-8777 1782
服务电话 133 9713 6633 
传真电话: 027-8777 1786
电子邮箱: whhdgk@126.com

自升压精密电压互感器在使用时如何进行接线?

您的位置:彩虹多多 >> 服务支持 >> 技术文章

自升压精密电压互感器

自升压精密电压互感器

    35kV,0.05级以下电压互感器,可用于校验0.1级以下电压互感器,校验变化,35 kV /100V、35kV/√3/100/ √3V。自升压精密电压互感器在使用时如何进行接线?
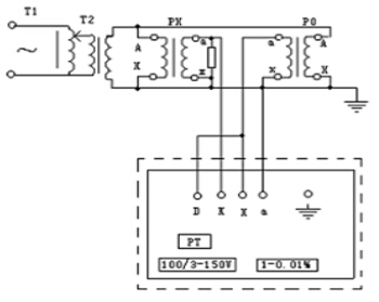
     1.双级电压互感器校电压互感器接线图:

1.双级电压互感器校电压互感器接线图

 



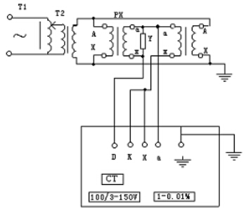
    2.电压互感器校电压互感器接线图:

2.电压互感器校电压互感器接线图

 



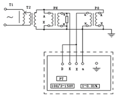
    3.电压互感器自校接线图 

3.电压互感器自校接线图

 



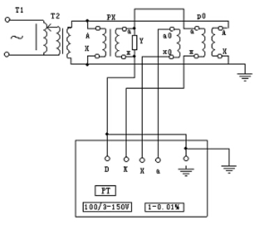
    4.电压互感器校电压互感器接线图:

4.电压互感器校电压互感器接线图 


有关产品购买、信息咨询、技术资料等欢迎致电::027-87771780 或是
上一篇: 检验电流互感器时电流互感器负荷箱如何使用?武汉彩虹多多
下一篇: 彩虹多多:如何选择交直流带电流避雷器计算器校验仪
版权说明:本站所有文章、图片、视频等资料的版权均属于彩虹多多官网-追求健康,你我一起成长 chdd ,其他任何网站或单位未经允许禁止转载、用于商业盈利,违者必究。如需使用,请与彩虹多多 联系;允许转载的文章、图片、视频等资料请注明出处"来自:武汉彩虹多多"。

荣誉客户

荣誉资质