彩虹多多



热门关键词: 彩虹多多:高压开关动作特性测试仪 断路器特性测试仪 彩虹多多:变压器综合测试系统 承装承试设备选型 高压开关测试仪 变压器综合测试 串联谐振

联系彩虹多多

及时联系彩虹多多 为您解答产品相关疑问 欢迎拨打全国统一服务热线

销售电话: 027-8777 1781
                027-8777 1782
服务电话 133 9713 6633 
传真电话: 027-8777 1786
电子邮箱: whhdgk@126.com

测量电抗器的电感选择什么设备?电容电感测试仪

您的位置:彩虹多多 >> 服务支持 >> 技术文章

     测量电抗器的电感选择什么设备?全自动电容电感测试仪是在无功补偿装置专家工作组的指导下,针对变电站现场测量并联电容器组中的单个电容器电容值时存在的问题而专门研制的,它着重解决了以下问题:
     (1)现场测量单个电容器需拆除连接线,不仅工作量大而且易损坏电容器。
     (2)电容表输出电压低而导致故障检出率低。
     (3)测量电抗器的电感。
     电容电感测试仪具有测量工作量小、快捷简便、性能稳定、测量准确、故障检出率高等特点。此外,它的电流测量单元还可兼作CVT、避雷器等电器设备的测量之用,具有一机多能的功效。

全自动电容电感测试仪 

     电容电感测试仪工作原理

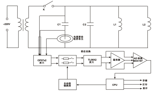
全自动电容电感测试仪工作原理图 

     在被测电容支路有对被测电容的电压、电流取样的取样电路,取样电路的输出端分别接放大电路,从电压放大电路输出的电压信号和从电流放大电路输出的电流信号通过鉴相器输出相位差信号,与电压信号和电流信号通过A/D转换器后,输入CPU计算而得到被测电容值。因为采用了移动的电流取样单元,而使得无需拆除连接线就可以直接测量电容值。
     加之测量过程档位是自动进行选择,避免了手动操作引起的误差,因此具有稳定性好、重复性好,准确可靠的特点。做测量电抗器的电感选择电容电感测试仪设备。


     彩虹多多主要经营电气设备、电子产品、仪器仪表制造、安装;计算机软件开发;电子元器件、电线电缆、五金交电批发等串联谐振实验装置、绝缘耐压测试设备、避雷器电缆测试设备、继保/回路测试设备、开关断路器检测设备、蓄电池/直流测试设备等。彩虹多多供应电力检测设备、高压试验设备、电力实验设备、电力检修设备等产品,真正的为客户创造价值、节省费用,实现“设备永续、设备无忧”!
有关产品购买、信息咨询、技术资料等欢迎致电::027-87771780 或是
上一篇: 继电保护测试的交流试验-武汉彩虹多多
下一篇: 彩虹多多:互感器误差测试的三个基本问题
版权说明:本站所有文章、图片、视频等资料的版权均属于彩虹多多官网-追求健康,你我一起成长 chdd ,其他任何网站或单位未经允许禁止转载、用于商业盈利,违者必究。如需使用,请与彩虹多多 联系;允许转载的文章、图片、视频等资料请注明出处"来自:武汉彩虹多多"。

荣誉客户

荣誉资质