彩虹多多



热门关键词: 彩虹多多:高压开关动作特性测试仪 断路器特性测试仪 彩虹多多:变压器综合测试系统 承装承试设备选型 高压开关测试仪 变压器综合测试 串联谐振

联系彩虹多多

及时联系彩虹多多 为您解答产品相关疑问 欢迎拨打全国统一服务热线

销售电话: 027-8777 1781
                027-8777 1782
服务电话 133 9713 6633 
传真电话: 027-8777 1786
电子邮箱: whhdgk@126.com

电工知识如何使用接地电阻测试仪

您的位置:彩虹多多 >> 服务支持 >> 技术文章

     电工规程进行接地电阻测试以及测量低电阻的导体电阻值使用接地电阻测试仪是必须的工具,那么如何使用接地电阻测试仪呢?武汉彩虹多多技术专家为你解答。

DER2571数字式接地电阻测试仪 

1  电池的检查及更换
仪表在接通电源工作时,若显示屏显示“图片1”欠压符号,表示电池电量不足,应立即更换新电池,否则仪表无法正常工作。

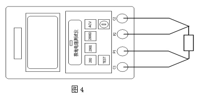
2  接地电阻的测量(见图1)

接地电阻的测量

●  以被测接地极为起点,使电位探针和电流探针三者在一直线上,间距为20米。
●  用测试线将被测接地极连到仪表的C2、P2测试孔(三极法测量将C2、P2短接即可),电压探针连到测试孔P1,电流探针连到仪表C1测试孔。
●   经仪表档位选择开关选定所需的测试量程。
●按一下测试开关TEST,电流指示灯绿色变为红色,显示屏显示接地电阻值。

3  地电压测量(见图2)
测试时仅将两探针用测试线接至仪表C2、P2两测试孔,打开电源开关,档位选择开关置AC.V位,按一下测试开关TEST,显示屏即显示地电压值。测试完毕,关闭电源。
(注意:本档位最大测试电压为 AC 20V)

地电压测量 

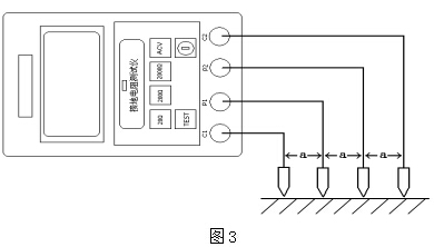
4 土壤电阻率的测量(见图3)

土壤电阻率的测量

在被测区沿直线插入地下4根金属棒,彼此相距为“a”厘米,棒的埋入深度不宜超过距离“a”的1/20,按图3所示连接方式用4根测试线将4根探棒与C1、P1、P2、C2四个测试孔相连,选择适当量程,按一下测试按钮TEST,电流指示灯绿色变为红色,显示屏上显示电阻欧姆值,被测区的土壤电阻率用下式计算:
ρ=2πaR
式中  R:测得的电阻数值 (Ω)
a: 棒与棒间的距离 (cm)
ρ:被测区的土壤电阻率 (Ω·cm)

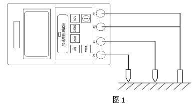
5 导体电阻的测量(见图4)

导体电阻的测量

将 C1、P1和C2、P2分别短接,然后将被测导体接在C1、P1和C2、P2之间,选择适当量程,按一下测试按钮,显示屏即显示被测导体的电阻值。


      彩虹多多主要经营电气设备、电子产品、仪器仪表制造、安装;计算机软件开发;电子元器件、电线电缆、五金交电批发等,生产销售串联谐振实验装置、绝缘耐压测试设备、避雷器电缆测试设备、继保/回路测试设备、开关断路器检测设备、蓄电池/直流测试设备等。彩虹多多供应电力检测设备、高压试验设备、电力实验设备、电力承装(承修、承试)设备等产品,二十年累积行业经验将为更多用户提供可靠的帮助,武汉彩虹多多愿与您携手共赢,一起成长!
电力检测设备信息咨询请致电:027-87771780 或是
上一篇: 彩虹多多:电力基础知识:电力变压器在电力行业中的作用
下一篇: 电力设备接地电阻规范是多少?
版权说明:本站所有文章、图片、视频等资料的版权均属于彩虹多多官网-追求健康,你我一起成长 chdd ,其他任何网站或单位未经允许禁止转载、用于商业盈利,违者必究。如需使用,请与彩虹多多 联系;允许转载的文章、图片、视频等资料请注明出处"来自:武汉彩虹多多"。

荣誉客户

荣誉资质