彩虹多多



热门关键词: 彩虹多多:高压开关动作特性测试仪 断路器特性测试仪 变压器综合测试系统 承装承试设备选型 高压开关测试仪 变压器综合测试 串联谐振

联系彩虹多多

及时联系彩虹多多 为您解答产品相关疑问 欢迎拨打全国统一服务热线

销售电话: 027-8777 1781
                027-8777 1782
服务电话 133 9713 6633 
传真电话: 027-8777 1786
电子邮箱: whhdgk@126.com

干式试验变压器工作原理是什么

您的位置:彩虹多多 >> 服务支持 >> 技术文章

干式试验变压器

 

干式试验变压器利用先进的生产设备,采用线圈绕组环氧真空浇注及CD型铁芯的新工艺,和同类产品油浸式变压器相比,明显地降低重量,减少体积,在质量上提高了绝缘强度和抗湿程度,并有效地削弱了漏磁而大大加强了变压器承受试验短路电流的冲击能力。

干式试验变压器输入电压为200V,利用电磁感应原理根据需要改变输入电压,即可获得输出高压从零伏连续可调到额定的最高值。在作直流耐压及泄露电流测试时,只要把高压硅堆旋装在高压输出端,即可改变输入电压,从而获得不同值的直流高压输出。

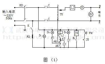
干式试验变压器具体工作原理见图(1),当用作串级使用时,其接线见图(2

干式试验变压器原理图

GYD:试验变压器                  JS:时间继电器

TY:自藕调压器                   FM:报警器

LJ:过流继电器                    D1D2D3:指示灯

C:交流接触器                    RD:熔断器

K:总电源开关                    K1:时间继电器电源开关

AK:调压器回零限位开关           AQ:起动按钮

CL:高压硅堆                     AT:停止按钮

A:输出电流表                    KV:输出电压表

干式试验变压器接线原理图

为了避免受到电击或人身安全,同时为了避免仪表或被测设备受到损坏,提醒使用者可靠控制和合理使用,在任何时候必须遵守以下原则:试验变压器在接通电源前,必须接地!没有接地以前,不得接入电源。


      彩虹多多主要经营电气设备、电子产品、仪器仪表制造、安装;计算机软件开发;电子元器件、电线电缆、五金交电批发等,生产销售串联谐振实验装置、绝缘耐压测试设备、避雷器电缆测试设备、继保/回路测试设备、开关断路器检测设备、蓄电池/直流测试设备等。彩虹多多供应电力检测设备、高压试验设备、电力实验设备、电力承装(承修、承试)设备等产品,二十年累积行业经验将为更多用户提供可靠的帮助,武汉彩虹多多愿与您携手共赢,一起成长!
电力检测设备信息咨询请致电:027-87771780 或是
上一篇: 彩虹多多:电气预防性试验在电力设备的作用
下一篇: 彩虹多多:如何使用氧化锌避雷器直流参数测试仪
版权说明:本站所有文章、图片、视频等资料的版权均属于彩虹多多官网-追求健康,你我一起成长 chdd ,其他任何网站或单位未经允许禁止转载、用于商业盈利,违者必究。如需使用,请与彩虹多多 联系;允许转载的文章、图片、视频等资料请注明出处"来自:武汉彩虹多多"。

荣誉客户

荣誉资质