电流互感器的交流耐压试验设备及仪器和试验方法参照变压器工频交流耐压试验,耐压试验时,被试绕组短接至兆欧表,非被试绕组均短路接地;在试验过程中,若由于空气湿度、温度、表面脏污等影响,引起被试品表面滑闪放电或空气放电,不应认为被试品的内绝缘不合格,需经清洁、于燥处理之后,再进行试验;升压必须从零开始,不可冲击合闸。升压速度在40%试验电压以内可不受限制,其后应均匀升压,速度约为每秒3%的试验电压;耐压试验前后均应测量被试品的绝缘电阻;高压试验变压器有测量绕组的,在不使用时,低端必须接地,注意绕组不能短路;耐压试验接线必须实行“三检制”(自检、互检、工作负责人检);加压过程中,必须有人呼唱、监护;加压部分对非加压部分的绝缘距离必须足够,并要防止对运行设备及非加压部分的伤害。
电压互感器特有的试验项目
1.电压变比测量(包括电容式电压互感器的中间变压器)
方法1:电压表法
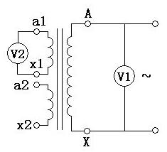
待检互感器一次及所有二次绕组均开路,将调压器输出接至一次绕组端子,缓慢升压,同时用交流电压表测量所加一次绕组的电压U1和待检二次绕组的感应电压U2,计算U1/U2的值,判断是否与铭牌上该绕组的额定电压比(U1n/U2n)相符,见图1。
电压表法试验接线图

图1 电压表法试验接线图
方法2:变比电桥法,参照仪器使用说明书进行。
试验要求:
与铭牌和标志相符。
2.电磁式电压互感器介质损耗因数及电容量测量
(1) 正接法
图示的接线以HSXJS-IV型介质损耗测试仪为例,实际接线应按所使用的仪器说明书进行接线。
正接法接线图

图2 正接法接线图
正接线的特点:
a.测量结果主要反映一次绕组和二次绕组之间和端子板绝缘的电容量和介质损耗因数;
b.测量结果不包括铁芯支架绝缘的电容量和介质损耗因数(如果PT底座垫绝缘就可以);
c.测量结果不受端子板的影响;
d.试验电压不应超过3kV(建议为2kV)。
(2) 反接法
反接法接线图

图3 反接法接线图
反接法的特点
a.测量结果主要反映一次绕组和二次绕组之间、铁芯支架、端子板绝缘的电容量和介质损耗因数;
b.测量结果受端子板的影响;
c.试验电压不应超过3kV(建议为2kV)。
(3) 末端屏蔽法

图4 末端屏蔽法接线图
末端屏蔽法的特点:
a.对于串激式电压互感器,测量结果主要反映铁芯下部和二次线圈端部的绝缘,当互感器进水时该部位绝缘最容易受潮,所以末端屏蔽法对反映互感器受潮较为灵敏;
b.对于串激式电压互感器,被测量部位的电容量很小,容易受到外部干扰;
C.试验电压可以是10kV;
d.严禁将二次绕组短接。
(4) 末端加压法
末端加压法的特点:
a.不用断开互感器的高压端子,试验中将高压端接地;
b.测量结果主要是反映一、二次线圈间的电容量和介质损耗因数,不包括铁芯支架的电容量和介质损耗因数;
c.由于高压端接地,外部感应电压被屏蔽掉,所以这种方法有较强的抗干扰能力;
d.测量结果受二次端子板绝缘的影响;
e.试验电压不宜超过3kV;
f.严禁将二次绕组短接。

图5 末端加压法接线图
图6 测量支架的介质损耗因数
(5)串激式电压互感器支架介质损耗因数的测量
测量接线见图6,互感器放置于绝缘垫上。由于支架的电容量很小,通常只有几十PF,所以要求介损测量仪应有相应的测量范围。
试验要求及结果判断:
a.采用末端屏蔽法和末端加压法时,严禁将二次绕组短接。
b.串级式电压互感器建议采用末端屏蔽法,其他试验方法与要求自行规定;
c.前后对比宜采用同一试验方法;
d.交接时,35kV以上电压互感器,在试验电压为10kV时,按制造厂试验方法测得的介损不应大于出厂试验值的130%;
e.支架介损一般不大于6%;
f.与历次试验结果相比,应无明显变化;
g.绕组tgδ不应大于规程规定值。
4、
1.变比试验
方法1:电流法
由调压器及升流器等构成升流回路,待检TA一次绕组串入升流回路;同时用测量用TA0和交流电流表测量加在一次绕组的电流I1、用另一块交流电流表测量待检二次绕组的电流I2,计算I1/I2的值,判断是否与铭牌上该绕组的额定电流比(I1n/I2n)相符。见图7
电流互感器变比测量接线图图7电流互感器变比测量接线图
电压法接线图

图8电压法
方法2:电压法
待检CT一次绕组及非被试二次绕组均开路,将调压器输出接至待检二次绕组端子,缓慢升压,同时用交流电压表测量所加二次绕组的电压U2、用交流毫伏表测量一次绕组的开路感应电压U1,计算U2/U1的值,判断是否与铭牌上该绕组的额定电流比(I1n/I2n)相符。
方法3:电流互感器变比测试仪(互感器伏安特性测试仪),按说明书操作。
注意事项:
方法1:测量某个二次绕组时,其余所有二次绕组均应短路、不得开路,根据待检CT的额定电流和升流器的升流能力选择量程合适的测量用CT和电流表;
方法2:二次绕组所施加的电压不宜过高,防止CT铁心饱和
方法3:测量某个二次绕组时,其余所有二次绕组均应短路、不得开路,根据待检CT的额定电流和升流器的升流能力选择合适的测量电流。
结果判断:
与铭牌和标志相符。