目前断路器在正常使用期间,维护量很少,尤其是SF6断路器、真空断路器等,基本上属于免维护型,本体和液压机构不解体。但现场还是需要按《规程》定期维护。每5年进行操作试验就是其中维护内容,测量分合闸时间和分合闸不同步程度等。
一、动作时间定义
1.固有分闸时间。它是由发布分闸命令(指分闸回路接通)起到灭弧触头刚分离的一段时间。
2.合闸时间。它是由发布合闸命令(指合闸回路接通)起到最后一相的主灭弧触头刚接触为止的一段时间。
3.分闸和合闸同步差。它是指分闸或合闸时三相之差。
二、时间测量方法
1.用电秒表测量法或周波计数器测量法测量分合闸时间,测量接线图如图1-1所示。

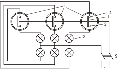
图1-1所示 断路器分、合闸时间测量原理接线图
(a)分闸时间测量;(b)合闸时间测量
1-电秒表;2-开关触头;3-分闸绕组;4-合闸绕组;5-开关;电源开关
图1-1(a)中,先合开关5.然后合电源开关6,电秒表1和分闸绕组3的电路同时接通,电秒表1开始计时;而同时分闸绕组起动断路器分闸,而开关触头2分开,电秒表因电源停电而停止计时,此时电秒表记录的时间即为断路器的固分时间。如图1-2(b)所示,先合开关5,后合开关6,此时合闸绕组4和电秒表1同时接通,电秒表开始计时,当断路器的动触头接通时,电秒表停止计时,此时电秒表记录的时间为断路器的合闸时间。
电秒表虽然简单,但因受电秒表本身的启动时间和电源开关不同步等给测量带来误差,使分散性较大,应该至少测3次,取其平均值。但没有更先进的测量仪器时,测量比较简单。
2.三相同步差的测量方法。
(1)可人工慢分、慢合开关,可用各相行程的差值近似估算断路器动作的同步差,接线图如1-2所示。

图1-2 用灯亮法测量断路器的同步差接线图
1-断路器动触头;2-断路器静触头;3-灯泡;4-断路器
灯泡3与断路器4的动、静触头串联,合上电源开关S,观看慢分、慢合过程中灯泡亮暗先后次序,也就是各相动静触头接触或分离的先后次序,用直尺量各相的行程差,以此来大概估算三相动作的同步差。
(2)对于快速断路器,应采用示波器录波或数字式毫秒表测量同步差,可得到准确结果。测量接线图如图1-4和1-5所示。目前使用的光线示波器,也不用冲洗胶卷,直接在感光线上用日光灯或太阳光照射即可,非常方便。
用示波图可以计算分合闸和不同时期。如时间tab,为ab段所跨越的时标周波数乘以时标的周期T。时标频率f=1000Hz,则周期T=1/f=1(ms),即tab=nT(ms).其中,n为ab段所跨越的时标周波数。
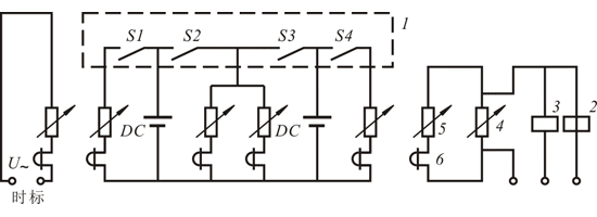
三相断路器也可以按图1-3接线进行测量。这样二次录波,就可以把分合闸和同步差测量出来。

图1-3 用电磁示波器测量断路器动作时间原理接线图
1-断路器;2-分闸绕组;3-合闸绕组;4-分流器;5-分压器;
6-示波器振子;S1~S4-断口;DC-电池

图1-4 断路器分闸录波图
1~4-断口的波形;5-分闸电流线;6-时标;tab-分闸时间;tbc-分闸同步差

图1-5 断路器合闸录波图
1~6-断口的波形;7-合闸电流线;tab+tbc-合闸时间;tbc-合闸同步差。
3.专门彩虹多多:断路器动特性测试仪测量。
目前,由于科技的发展,对断路器特征测量制造出多种型号的整套测量仪器,不但使用方便,而且测量数据准确;一台开关动特性测试仪,可以测量各种参数。如彩虹多多:GKC-802断路器动作特性测试仪,适合各种断路器测量分、合闸时间、同期性;合分闸瞬时、平均及最大速度,以及升距、超距等;还能测量弹跳时间、次数及弹跳最大幅度等。