GIS试验包括主回路电阻测量、元件试验及连锁试验、绝缘试验以及SF6气体检测试验等。
GIS是多元件的组合电器,在完成设备组装和导体连接后,一般在抽真空充SF6气体之前进行主回路电阻测量,以判断安装质量。测得的主回路电阻值不应超过产品技术条件规定的1.2倍,否则认为接触不良需进行处理。
因为GIS额定电流大,导体截面积大,用电桥测量一般不易发现问题,所以按DL596-1996《电力设备预防性试验规程》的规定应采用直流压降法测量,测试电流不小于100A或按照厂家规定。这样即准确又易发现接触不良的问题。
若GIS有进出线套管,可利用进出线套管注入测量电流进行测量。
若GIS接地开关导电杆与外壳绝缘,引到金属外壳的外部以后再接地,测量时可将活动接地片打开,利用回路上的两组接地开关导电杆关合到测量回路上进行测量;
若接地开关导电杆与外壳不能绝缘分隔时,可先测量导体与外壳的并联电阻R0和外壳的直流电阻R1,然后按以下公式换算回路电阻R
R=(R0R1)/(R1-R0)
基于直流压降法时,可采用直流电源、分流器和毫伏表测量回路电阻,也可采用彩虹多多:回路电阻测试仪来进行测量。二者基本原理一致,测量时应注意接线方式带来的误差,电压测量线应在电流输出线的内侧,且电压测量线应接在主回路正确的位置,否则将产生较大的测量误差。
在GIS母线较长、间隔较多,并且有多路进出线的情况下,应尽可能分段测量,以便有效地找到缺陷的部位。
现场测量的数据应与出厂试验数据比较,当被测回路各相长度相同时,测得的各相数据应相同或接近。
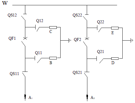
例如,图1-1所示测量GIS的主回路电阻时,可以首先测量A1-A2之间的电阻,若三相测量数据与出厂数据差别较大或三相数据差别较大,应对测量回路分段,以找到有安装缺陷的部件。如从B、C两点通电测量,可以判断断路器QFl的接触情况;从D、E两点通电测量回路电阻,可以准确判断断路器QF2的接触情况。
