局部放电测量
1.变压器局部放电特点
变压器内部绝缘结构主要采用油纸绝缘,其绝缘结构较复杂,在设计过程中可能造成局部区域场强过高;变压器在测量过程中可能导致绝缘中含有气泡和较多的水分,在运行过程中油纸劣化可分解出气泡,机械振动和热胀冷缩可造成局部开裂也会出现气泡等等,这些情况都会导致在较低外施电压下发生局部放电。
变压器放电脉冲是沿绕组传播的,放电脉冲波沿绕组传播的衰减随测量频率的增加而增大。对于变压器来说,油中放电对绝缘损坏是主要的,而油中放电时延较长、低频分量较大。
2.局放分类
电力变压器中局部放电可分为:
(1)绕组中部油-屏障绝缘中油道击穿;
(2)绕组端部油道击穿;
(3)接触绝缘导线和纸板(引线绝缘、搭接绝缘、相间绝缘)的油间隙击穿;
(4)引线、搭接纸等油纸绝缘中局部放电;
(5)线圈间(纵绝缘)的油道击穿;
(6)匝间绝缘局部击穿;
(7)纸板沿面滑闪放电。
3.变压器局部放电测量
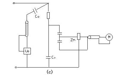
变压器局部放电测量主要包括三种情况:单相励磁变压器、三相励磁变压器和变压器套管抽头的测量,它们测量的基本接线如图4-6所示。



《规程》规定,对220kV及以上的变压器在大修后、220kV及以上或120MVA及其以上的变压器更换绕组后和必要时进行局部放电试验。变压器局部放电试验采用分段升压的方式,试验时首先将试验电压升到U1=1.3Um/√3或U1=1.5Um/√3保持5min,并在此电压下进行局部放电测量,然后将试验电压加到U2=Um保持5s,然后将电压加到U1,保持30min,并进行测量。其中Um为变压器最高工作电压,在U1=1.5Um/√3下的放电量应不大于500pc,在U1=1.3Um/√3下的放电量应不大于300pc。
在电压升至U1及由U1再下降的过程中,应记录起始、熄灭放电电压。在整个试验过程中,应连续观察放电波形,并按一定的时间间隔记录放电量。在整个试验期间试品不发生击穿,在U1的第二阶段的30min内,所有测量端子测得的放电电量连续地持续在允许的限值内,并无明显的增长趋势,则试品合格。如果放电量曾超出允许限值,但之后有下降并低于允许的限值,则试验继续进行,直到30分钟的期间内局部放电量不超过允许的限值,试品才合格。
4.变压器局部放电测量中的干扰抑制
在加压前,观察未接通高压电源及接通高压电源后是否存在较大的干扰,试验前记录所有测量电路上的背景噪声水平,其值应低于规定的视在放电量的50%。
消除变压器局部放电测试现场的干扰,对准确测量至关重要。变压器现场试验的干扰有两种情况:一种是试验回路未通电前就存在干扰,其主要来源于试验回路以外的其他回路中的开关操作、附近高压电场、电机整流和无线电传输等;另一种是在试验回路通电后产生的干扰,这种干扰包括试验变压器本身的局部放电、高压导体上的电晕或接触不良放电,以及低压电源测局部放电、通过试验变压器或其他连线耦合到测试回路中的干扰等。对来自电源的干扰,可采用在高压试验变压器的初级设置低通滤波器、电源侧加装屏蔽式隔离变压器、试验变压器的高压端设置高压低通滤波器的方法。对于高压段部电晕放电,可采用合适的无晕环(球)及无晕导杆作为高压连线。对于接地干扰,必须采用整个试验回路一点接地方式。
在实验过程中遇到的主要干扰有:
(1)高压端部和引线的电晕放电。波形特点是在试验电压的负半波出现刷状放电脉冲。
(2)试验变压器的局部放电。其波形与被试变压器的放电波形一致,需要采用更高额定电压的试验变压器。
(3)悬浮放电干扰。需要采用清理现场的方法抑制悬浮放电。
(4)充油套管表面放电。需要从法兰到伞群之间的瓷表面刷半导体漆。