变压器绕组直流电阻的检测是一项很重要的试验项目,DL/T596--1996预试规程的试验次序排在变压器试验项目的第二位。
1.规程规定它是变压器大修时、无载开关调级后、变压器出口短路后和1~3年一次设备的必试项目。
2.可有效的考核绕组纵绝缘和电流回路连接状况,能够反映绕组匝间短路、绕组断股、分接开关接触状态以及导线电阻的差异和接头接触不良等缺陷故障。是判断各相绕组直流电阻是否平衡、调压开关档位是否正确的有效手段。
一、DL/T 596--1996预试规程的试验周期和要求
1.试验周期
变压器绕组直流电阻正常情况下1~3年检测一次。但有如下情况必须检测:
(1)无励磁调压变压器变换分接位置后必须进行检测;
(2)有载调压变压器在有载分接开关检修后必须对所有分接进行检测;
(3)变压器大修后必须进行检测;
(4)必要时进行检测。如变压器经出口短路后必须进行检测。
2.试验要求
变压器容量在1.6MVA及以上,绕组直流电阻相互间差别不应大于2%;无中性点引出的绕组线间差别不应大于三相平均值的1%。
容量在1.6MVA以下,相间差别一般不大于三相平均值的4%;线间差别一般不大于三相平均值的2%。
与以前相同部位测得值比较其变化不应大于2%;如直流电阻相间差在变压器出厂时超过规定,制造厂已说明了这种偏差的原因,也以变化不大于2%考核。
不同温度下的电阻值应换算到同一温度下进行比较,并按下式换算:
R2=R1[(T+t2)/(T+t1)]
式中:R1、R2——分别为温度t1、t2时的电阻值;T—常数,其中铜导线为235,铝导线为225。
二、减少测量时间提高检测准确度的措施
一般使用电压降法和电桥法。对于大型变压器,其电感非常大,为了加快测量速度,可采用快速测量方法。
变压器绕组是由分布电感、电阻及电容组成的复杂电路。测直流电阻是在绕组的被试端子间通以直流,待瞬变过程结束、电流达到稳定后,记录电阻值及绕组温度。测直流电阻的关键问题是将自感效应降低到最小程度。为解决这个问题分为以下两种方法。
1.助磁法
助磁法是迫使铁心磁通迅速趋于饱和,从而降低自感效应,归纳起来可缩短时间常数,大体有以下几种方法:
(1)用大容量蓄电池或稳流源通大电流测量。
(2)把高、低压绕组串联起来通电流测量,采用同相位和同极性的高压绕组助磁。由于高压绕组的匝数远比低压的多,借助于高压绕组的安匝数,用较小的电流就可使铁心饱和。
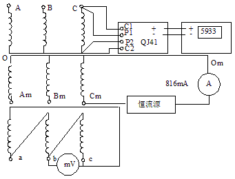
(3)采用恒压恒流源法的彩虹多多:直流电阻测试仪。使用时可把高、低压绕组串联起来,应用双通道对高、低压绕组同时测量,较好地解决了三相五柱式大容量变压器直流电阻测试的困难。一般测试一台360MVA,500kV或220kV变压器绕组直流电阻约需30~40min,测量接线如图1-1所示。

2.消磁法
消磁法与助磁法相反,力求使通过铁心的磁通为零。使用的方法有两种:
(1)零序阻抗法。该方法仅适用于三柱铁心Y-N连接的变压器。它是将三相绕组并联起来同时通电,由于磁通需经气隙闭合,磁路的磁阻大大增加,绕组的电感随之减小,为此使测量电阻的时间缩短。
(2)磁通势抵消法。试验时除在被测绕组通电流外,还在非被测绕组中通电流,使两者产生的磁通势大小相等、方向相反而互相抵消,从而保持铁心中磁通趋近于零,将绕组的电感降到最低限度,达到缩短测量时间的目的。其测量接线如图1-2所示。
