一、电力变压器空载负载试验接线方法
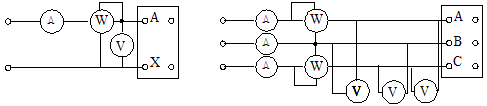
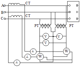
对于单相电力变压器,可采用图1-1所示的接线进行空载试验。对于三相电力变压器,可采用图1-2和图1-3所示的两瓦特表法进行空载试验。图1-2为直接测量法,适用于额定电压和电流较小,用电压表和电流表即可直接进行测量的电力变压器。当电力变压器额定电压和电流较大时,必须借助电压互感器和电流互感器进行间接测量,此时采用图1-3接线方式。

空载试验时,在电力变压器的一侧(可根据试验条件而定)施加额定电压,其余各绕组开路。
短路试验的接线方式和空载试验的接线基本相似,所不同的是要将非加压的线圈三相短接而不是开路。对于三线圈的变压器,每次试一对线圈(共试三次),非被试线圈应为开路。
短路试验时,在电力变压器的一侧施加工频交流电压,调整施加电压,使线圈中的电流等于额定值;有时由于现场条件的限制,也可以在较低电流下进行试验,但不应低于IN/4。

二、试验要求和注意事项
(1)试验电压一般应为额定频率、正弦波形,并使用一定准确等级的仪表和互感器。如果施加电压的线圈有分接,则应在额定分接位置。
(2)试验中所有接入系统的一次设备都要按要求试验合格,设备外壳和二次回路应可靠接地,与试验有关的保护应投入,保护的动作电流与时间要进行校核。
(3)三相电力变压器,当试验用电源有足够容量,在试验过程中保持电压稳定。并为实际上的三相对称正弦波形时,其电流和电压的数值,应以三相仪表的平均值为准。
(4)联结短路用的导线必须有足够的截面,并尽可能的短,连接处接触良好。
三、试验结果的计算
1.空载试验结果的计算
三相电力变压器用上述三瓦特表法测量时,其空载电流和空载损耗可按下式进行计算:
I0=(KIAI'OA+KIBI'OB+KICI'OC)/3
U'=(KVABU'AB+KVBCU'BC+KVCAU'CA)/3
I0%=(UN/U')n1(I0/IN)×100
P0=(UN/U')n2(P1+P2)KIKVKW
式中:KIA、KIB、KIC分别是CT的变比;KVAB、KVBC、KVCA分别是PT的变比;IOA、IOB、IOC是三相空载电流的实测值;UAB、UBC、UCA是三相施加试验电压;I0空载电流实测平均值;U'试验施加线电压平均值;UN、IN被试线圈额定线电压和额定电流;KI、KV、KW是电流、电压、瓦特表本身的倍数;
P1、P2两个瓦特表测得的损耗功率;I0%算得的空载电流百分数;
P0 算得的空载损耗;
n1、n2 幂次,决定于磁路硅钢片的种类,可从专门的表格中查出。
2.短路试验结果的计算
三相电力变压器用上述三瓦特表法测量时,其负载损耗和短路电压可按下式进行计算:
I'K=(I'KAKIA+I'KBKIB+I'KCKIC)/3
P'K=(P'KAKIAKVABKWA-P'KCKICKVBCKWC)
U'K=(KVABU'KAB+KVBCU'KBC+KVCAU'KCA)/3
μK%=(UK/UN)(IN/I'K)×100
式中:I'KA、I'KB、I'KC是三相短路电流实测值;
KIA、KIB、KIC三相CT的变流比;
PKA、PKC是反映A和C相电流测得的损耗功率;
KVAB、KVBC、KVCA是AB、BC和CA的PT变比;
KWA、KWC是瓦特表本身的倍数。