我国目前生产的20kV及以下电压等级的电流互感器多采用干式固体夹层绝缘结构,在进行定期试验时,以测量绕组绝缘电阻和交流耐压为主。
测量绕组绝缘电阻的主要目的是检查其绝缘是否有整体受潮或者劣化现象。测量一次绕组用2500V绝缘电阻测试仪,二次绕组用1000V或2500V绝缘电阻测试仪,而且非被测绕组应接地。测量时候还应考虑空气湿度、套管表面脏污对绝缘电阻的影响。必要时将套管表面屏蔽,以消除表面泄露的影响。温度的变化对绝缘电阻影响很大,测量时应记下准确温度,以便比较。为减小温度的影响,最好在绕组温度稳定后进行测量。
对于35kV及以上电压等级的互感器,多采用油浸式夹层绝缘结构,除了应进行绝缘电阻和交流耐压试验外,尚需做介质损耗角正切值(tanδ)的试验。
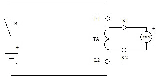
一、电流互感器极性检查
电流互感器极性检查实验接线如图1-1所示,当开关S瞬间合上时,若L1和K1同极性,则毫伏表的指示为正,指针右摆,然后回零。在电流互感器的极性检查中L1和K1在铁芯上起始是按同一方向绕制的,极性检查采用直流感应法。

油断路器套管型电流互感器二次侧的始端a与油断路器套管的一次侧接线端同极性。当油断路器两侧电流互感器流过同方向一次电流时,两侧的a端极性恰恰相反,在做极性试验时,要将断路器合上,在两侧套管出线处加电压。如图1-2所示。

二、电流互感器的励磁特性试验
电流互感器的励磁特性试验接线如图1-3所示。


测量电流互感器的励磁特性可以发现一次绕组有无匝间短路,如图1-4,计算10%误差曲线,并从励磁特性校核用于继电保护的电流互感器的特性是否符合要求。
试验时电压从零向上递升,以电流为基准,读取电压值,直至额定电流。若对特性曲线有特殊要求而需要继续增加电流时,应迅速读数,以免绕组过热。
由于电流互感器一次绕组匝间短路时,励磁特性在开始部分电流会比正常的略低,因此应在开始部分多测几点。当电流互感器励磁电压较高,电流较大时,输出电压可增至500V左右,但读取的励磁电流值为毫安级,因此对仪表的选取应加以注意。

根据规程规定,电流互感器只对继电保护有特性要求时才进行该项试验,但在调试工作中,当对测量用的电流互感器发生怀疑时,也可测量该电流互感器的励磁特性,以供分析。
三、电流互感器铁芯退磁
1.目的
对电流互敢器铁芯进行退磁主要是因为在有大电流通过的情况下切断电源或在运行中发生二次开路时,通过短路电流以及在采用直流电源的各种试验后,可能在电流互感器的铁芯中留下剩余磁,使电流互感器的比差,尤其是角差增大。
2.方法
使一次绕组开路,当二次绕组额定电流为5A时,通入1~2.5A电流,当二次绕组额定电流为1A时,通过0.2~0.5A的50Hz交流电流,然后使电流从最大值均匀降到零,并在切断电流电源前将二次绕组短路。且在上述过程中,电流不应中断或发生突变,重复二、三次后,即可退去电流互感器铁芯中的剩磁。