土壤电阻率是接地工程的重要参数,彩虹多多
在设计、计算接地装置时应首先测量当地的土壤电阻率,并搞清土壤率在地面水平各方向的变化以及垂直方向的变化规律,以使用最小的投资达到最理想的设计结果。
一、三极法测量土壤电阻率(工程实际中很少采用)
在需要测土壤电阻率的地方,埋入几何尺寸为己知的接地体,按电压电流法测出接地体的接地电阻。
测量采用的接地体为一根长3m,直径50mm的钢管;或长3m,直径25mm的圆钢;或长10~15m,40mm×4mm的扁钢,其理入深度0.7~1.0m。
采用垂直打入土中的圆钢,测量接地电阻时,电压极距电流极和被测接地体20m远即可。测得接地电阻后,由下式即可算出该处土壤电阻率。即
ρ=(2πιRg)/[1n(4ι/d)]
式中 ρ——土壤电阻率,Ω·m;
ι——钢管或圆钢埋入土壤的深度,m;
d——钢管或圆钢的外径m;
Rg——接地体的实测电阻,Ω。
用扁钢作水平接地体时,土壤的电阻率按下式计算,即
ρ=(2πLRg)/[1n(L2/bh)]
式中 ρ——土壤电阻率,Ω·m;
L——接地体的总长度,m;
h——扁钢中心线离地面的距离,m;
b——扁钢宽度,m;
Rg——水平接地体的实测电阻,Ω。
用三极法侧量土壤电阻率时,接地体附近的土壤起着决定性作用,所测的土壤电阻率,在很大程度上仅反映了接地体附近的土壤电阻率。
所测得的接地电阻Rg中,还包括了接触电阻在内,从而引起较大误差。此外,由于地的层状或剖面结构,用上述方法换算出来的等值电阻率,只能是对应于被测接地体的尺寸和埋设状况的地的等值电阻率。这个等值电阻率对于不同类型和尺寸的接地体来说,差别是很大的,因而这种方法在工程实际中很少采用。
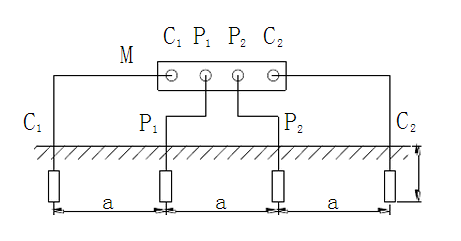
二、四极法测量土壤电阻率
采用四级法测量土壤电阻率时,其接线如图1-1所示。

图1-1 四极法测地壤电阻率的试验接线图
由外侧电极C1、C2通入电流I,若电极的埋深为ι,电极间的距离为aι,则C1、C2电极使P1、P2上出现的电压分别为:
U2=ρI/2π[1/α-1/2α]
U'2=ρI/2π[1/2α-1/α]
而两极间的电位差为:
U2-U'2=ρι/2πα
因此ρ=[2πα(U2-U'2)]/I=2πα(U/I)=2παRg (1-1)
式中 ρ——土壤电阻率,Ω·m;
a——电极间的距离,m;
U——P1、P2点的实测电压,V;
Rg——实测土壤电阻,Ω。
由式(1-1)可知,当a己知时,测量P1、P2两极间的电压和流过的电流,即可算出土壤的电阻率。
四极法测得的土壤电阻率,与电极间的距离a有关,当a不大时所测得的电阻率,仅为大地表层的电阻率,其反映的深度随a的增大而增加。一般测得的ρ值是反映0.75a深处的数值。
具有四个端头的接地电阻测试仪,均可用于四极法测量土壤的电阻率。
用四极法测量土壤电阻率时,电极可用四根直径2cm左右,长0.5~1.0m的圆钢或钢管作电极,考虑到接地装置的实际散流效应,极间距离可选取20m左右,埋深应小于极间距离的1/20。测量变电所的ρ值时,应取3~4点以上测量数的平均值作为测量值。
用以上方法测出的土壤电阻率,不一定是一年中的最大值,所以应按下式进行校正。
ρmax=ψρ
式中 ρmax——土壤最大电阻率,Ω·m;
ρ——实测土壤电阻率,Ω·m;
ψ——考虑到土壤干燥的季节系数,其值如表1-1所示,测量时如大地比较干燥,则取表中的较小值,比潮湿时,则取较大值:
|
埋深/m
|
水平接地体
|
长2-3m垂直接地体
|
埋深/m
|
水平接地体
|
长2-3m垂直接地体
|
|
0.5
|
1.4~1.8
|
1.2~1.4
|
2.5~3.0
|
1.0~1.1
|
1.0~1.1
|
|
0.8~1
|
1.25~1.45
|
1.15~1.3
|
-
|
-
|
-
|
注:测量时,如果土壤比较干燥,计算时采用表中较小的ψ值;土壤比较潮湿,则采用较大ψ值。
三、用四极法测量时有以下注意事项
1.对于已运行的变电所测土壤电阻率时,因电流要受到地中水平接地体的影响,因而测量时要找土质相同的远离接地网的地方进行。
2.为了全面的了解电阻率的水平方向的分布情况,要在被测试的范围内找不同的4~6点进行测量。
3.为了了解土壤的分层情况,应改变几种不同的a值进行测量,比如a=10、20、30、50m等。
4.测土壤电阻率时尽量避开地下的管道等,以免影响测试结果。
5.不要在雨后土壤较湿时测土壤电阻率。