彩虹多多



热门关键词: 高压开关动作特性测试仪 断路器特性测试仪 变压器综合测试系统 承装承试设备选型 高压开关测试仪 变压器综合测试 串联谐振

联系彩虹多多

及时联系彩虹多多 为您解答产品相关疑问 欢迎拨打全国统一服务热线

销售电话: 027-8777 1781
                027-8777 1782
服务电话 133 9713 6633 
传真电话: 027-8777 1786
电子邮箱: whhdgk@126.com

架空地线分流阻抗测试方法

您的位置:彩虹多多 >> 服务支持 >> 技术文章

    架空地线分流阻抗测试采用的方法是分流阻抗法,即用电流电压法测试避雷线分流接地阻抗上的压降和电流,从而计算出避雷线分流接地阻抗值。

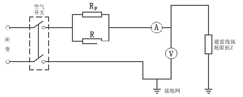
    现场测试接线原理图如图1-1所示。

架空地线分流阻抗测试方法1

 



    图1-1 避雷线分流接地阻抗现场测试原理图

    图中,Z为避雷线的分流接地阻抗;Rp为滑动变阻器,额定电阻300Ω,额定电流1A,测量时取额定电阻;R为定值电阻,额定电阻80Ω,额定功率2kW;A为电流表,测量在避雷线分流阻抗上施加的试验电流值,测量时,图1-1中A量程选用10A档,V为数字万用表,测量在试验电流下避雷线接地阻抗上的压降,V。试验电源采用退出一台所变为试验专用,甩开二次侧其他负荷及中性点接地,试验用380V线电压。在试验中,避雷线的引下线一定要绑定好,防止被风吹甩向导线,引起短路事故。为了克服地网杂散电流的影响,提高试验的信噪比,应尽量将试验电流升到较大值;同时,为了减小试验误差,需先测试出避雷线的干扰电压,还需采用换相重复试验。 
    由图1-1所示的避雷线分流接地阻抗测试原理图,可测试出避雷线分流接地阻抗Z上的压降U和避雷线分流接地阻抗Z上流过的试验电流I,并考虑到避雷线干扰电压的影响,将试验换相重复试验后,即可得出避雷线分流接地阻抗Z为:
        Z正=(U-U干扰)/I
        Z反=(U-U干扰)/I
        Z=(U正+U反)/2
    式中 U——避雷线分流接地阻抗Z上的压降,表V的读数,V;
         I——避雷线分流接地阻抗Z上通过的试验电流,表A的读数,A;
         U干扰——避雷线的干扰电压,V;
         Z正——正相测试时,避雷线的分流接地阻抗,Ω;
         Z反——反相测试时,避雷线的分流接地阻抗,Ω;
         Z——考虑到测试误差,避雷线的平均分流接地阻抗,Ω。


有关产品购买、信息咨询、技术资料等欢迎致电:
027-87771780
上一篇: 工频接地电阻试验方法
下一篇: 电气设备在线监测与离线测试的综合判别
版权说明:本站所有文章、图片、视频等资料的版权均属于彩虹多多官网-追求健康,你我一起成长 chdd ,其他任何网站或单位未经允许禁止转载、用于商业盈利,违者必究。如需使用,请与彩虹多多 联系;允许转载的文章、图片、视频等资料请注明出处"来自:武汉彩虹多多"。

荣誉客户

荣誉资质