彩虹多多



热门关键词: 高压开关动作特性测试仪 断路器特性测试仪 变压器综合测试系统 承装承试设备选型 高压开关测试仪 变压器综合测试 串联谐振

联系彩虹多多

及时联系彩虹多多 为您解答产品相关疑问 欢迎拨打全国统一服务热线

销售电话: 027-8777 1781
                027-8777 1782
服务电话 133 9713 6633 
传真电话: 027-8777 1786
电子邮箱: whhdgk@126.com

输电线路阻抗测量方法

您的位置:彩虹多多 >> 服务支持 >> 技术文章

   输电线路阻抗的测量分正序阻抗和零序阻抗两种来测量。
    一、测量正序阻抗
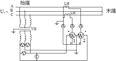
    如图1-1所示将线路末端三相短路,在始端加三相工频电压,测量各相的电流、三相的线电压和三相总功率。按测得的电压、电流取三个数的算术平均值;功率取功率表1及2的代数和(用低功率因素功率表),并按下式计算线路每相每公里的正序参数。
    正序阻抗  Z=[Uav/(√3)Iav]×[1/L]    (欧/公里)      (10-7)
    正序电阻  R=[P/3Iav2]×[1/L]         (欧/公里)      (10-8)
    正序电抗  X=√(Z12-R12)               (欧/公里)      (10-9)
    正序电感  L=X1/2πƒ                   (亨/公里)      (10-10)
    式中 P ──三相总功率,即 P = P1 + P2 (瓦);
         Uav──三相线电压平均值(伏);
         Iav ──三相电流平均值(安);
         L ──线路长度(公里);
         ƒ ──测量电源的频率(赫)。
    在图1-1中,试验电源电压应按线路长度和试验设备来选择,对100公里及以下线路可用380伏,100公里以上线路最好用1千伏以上电压测量,以免由于电流过小引起较大的测量误差。

测量正序阻抗的原理图
图1-1 测量正序阻抗的原理图

   二、测量零序阻抗
    测量零序阻抗接线如图1-2所示,测量时将末端三相短路接地,在始端施加单相交流电压。根据测得的电流、电压及功率,按下式计算出每相每公里的零序参数。
    零序阻抗  Z0=[3U/I]×[1/L]     (欧/公里)      (10-11)
    零序电阻  R0=[3P/I2]×[1/L]    (欧/公里)      (10-12)
    零序电抗  X0=√(Z02-R02)         (欧/公里)      (10-13)
    零序电感  L0=X0/2πƒ            (亨/公里)      (10-14)
    式中 P ──所测功率(瓦);
         U、I ──试验电压(伏)和电流(安);
         L ──线路长度(公里);
         ƒ ──试验电源的频率(赫)。

测量零序阻抗接线图
图1-2 测量零序阻抗接线图

有关产品购买、信息咨询、技术资料等欢迎致电:027-87771780
上一篇: 输电线路绝缘试验方法
下一篇: 彩虹多多:输电线路导线接头试验方法
版权说明:本站所有文章、图片、视频等资料的版权均属于彩虹多多官网-追求健康,你我一起成长 chdd ,其他任何网站或单位未经允许禁止转载、用于商业盈利,违者必究。如需使用,请与彩虹多多 联系;允许转载的文章、图片、视频等资料请注明出处"来自:武汉彩虹多多"。

荣誉客户

荣誉资质