彩虹多多



热门关键词: 高压开关动作特性测试仪 断路器特性测试仪 变压器综合测试系统 承装承试设备选型 高压开关测试仪 变压器综合测试 串联谐振

联系彩虹多多

及时联系彩虹多多 为您解答产品相关疑问 欢迎拨打全国统一服务热线

销售电话: 027-8777 1781
                027-8777 1782
服务电话 133 9713 6633 
传真电话: 027-8777 1786
电子邮箱: whhdgk@126.com

绝缘子的电位分布试验方法

您的位置:彩虹多多 >> 服务支持 >> 技术文章

    一、绝缘子串电压分布规律
    由于每个绝缘子的金属部分与杆塔(地)间、导线间均存在杂散电容,绝缘子串中每个绝缘子实际所分担的电压并不相同。如图1-1中的曲线3所示。沿绝缘子串的电压分布是极不均匀的,靠近导线的绝缘子电压降最大,离导线愈远的绝缘子两端压降愈小,当绝缘子靠近杆塔横担时,绝缘子电压降又升高。绝缘子串愈长,电压分布愈不均匀,愈容易导致某些部位的绝缘损坏。

绝缘子串的电压分布曲线图
图1-1 绝缘子串的电压分布曲线

    二、绝缘子串电压分布测量方法
    测量电压分布的工具有短路叉、电阻分压杆、电容分压杆、火花间隙检验杆等。
    1.短路叉
    这是检测损坏绝缘子(又称零值绝缘子)最简便的工具,其检测方法如图1-2所示。

短路叉检测法示意图
图1-2 短路叉检测法

    检测杆端部装上一个金属丝做成的叉子,把短路叉的一端2和下面绝缘子的钢帽接触,当另一端1靠近被测绝缘子的钢帽时,1和钢帽间的空气隙会产生火花。被测绝缘子承受的分布电压愈高,出现火花愈早,而且火花的声音也愈大,因此根据放电情况可以判断被测绝缘子承受电压的情况。
    如果被测绝缘子是零值的,就不承受电压,因而就没有火花。这种测杆不能测出电压分布的具体数值,但可以检查出零值绝缘子。在使用时应注意,当电压等级较低时(35kV及以下)不能因火花间隙放电而引起相对地闪络。
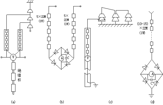
    2.电阻分压杆、电容分压杆
    电阻分压杆的内部结构和接线如图1-3所示,其中图1-3(a)、(b)是表示测量两点之间电位差的外部结构和内部连接图,适用于110kV及以上的变电所和线路绝缘子串测量;
    图1-3(c)、(d)是表示测量某点对地电位的外部结构和内部连接图,适用于35kV变电所内支柱绝缘子的测量。这种检验杆应预先在室内求出端部电压和微安表读数的关系,并应经常校准。通常盘形悬式绝缘子C≈50pF,1/ωC=64MΩ。当采用电阻为220MΩ的绝缘杆与之并联时,阻抗值降为50MΩ,将会导致约20%的误差,这需要在测量中注意。在强电场附近测量时,要注意外界电场对表读数的影响,必要时需采用适当的抗干扰措施。

电阻分压杆测量法示意图
图1-3 电阻分压杆测量法
    (a)测量两点电位差的外部连接;(b)测量两点电位差的内部连接;
    (c)测量某点电位的外部连接;(d)测量某点电位的内部连接。

    当采用图1-3(a)方法测量时,若某片绝缘子片的电位差为0,则该片绝缘子即为零值绝缘子。当采用图1-3(c)方法测量时,应先从母线端开始读取微安表的读数,依次往下进行,所测得的微安数应该是递减的,如出现某片绝缘子与上一片绝缘子电流值相同,则该片绝缘子就是零值绝缘子。
    电容分压杆与电阻分压杆类似,只是将电阻串和带有桥式整流的微安表,换成一个或几个串联且能承受被测电压的高压电容器与一个小量程指针式的静电电压表相串联。当电容器的电容量取的足够小的时候,被测量的电压都分布在电容器上,因此小量限的电压表就可测量几千到几万伏的电压。
    3.火花间隙检测杆

可调火花间隙检测杆测量法示意图
图1-4 可调火花间隙检测杆测量法

    图1-4所示为一种可调火花间隙的检测杆,其测量部分是一个可调的放电间隙和一个小容量的高压电容器相串联,预先在室内校好放电间隙的放电电压值,并标在刻度板上,测杆在机械上可以旋转。这样,在现场将高压电容器和放电间隙串联的部分并联到绝缘子片两端,转动操作杆,改变放电间隙,直至开始放电,即可读出相应于间隙距离在刻度板上所标出的放电电压值。如果某一元件上的分布电压低于规定标准值,而相邻其他元件的分布电压又高于标准值时,则该元件可能有缺陷。为了防止因火花间隙放电短接了良好的绝缘元件而引起相对地闪络,可以用电容与火花间隙串联后再接到探针上去。电容值约为30pF,与一片良好的悬式绝缘子的电容值接近。因为和电容串联的火花间隙的电容量只有几皮法(pF),所以电容的存在基本上不会降低作用于间隙上的被测电压。
    这种检测工具的缺点是,动电极容易损伤而变形,放电电压受温度影响,检测结果分散性大,这些都使其检测的准确性较差,而且测量时劳动强度较大,时间也较长,因此,它仅用于检验性测量,对于零值绝缘子的检测还是有效的。



有关产品购买、信息咨询、技术资料等欢迎致电:027-87771780
上一篇: 彩虹多多:绝缘子的绝缘试验方法
下一篇: 套管和绝缘子故障诊断
版权说明:本站所有文章、图片、视频等资料的版权均属于彩虹多多官网-追求健康,你我一起成长 chdd ,其他任何网站或单位未经允许禁止转载、用于商业盈利,违者必究。如需使用,请与彩虹多多 联系;允许转载的文章、图片、视频等资料请注明出处"来自:武汉彩虹多多"。

荣誉客户

荣誉资质