彩虹多多



热门关键词: 彩虹多多:高压开关动作特性测试仪 断路器特性测试仪 变压器综合测试系统 承装承试设备选型 高压开关测试仪 变压器综合测试 串联谐振

联系彩虹多多

及时联系彩虹多多 为您解答产品相关疑问 欢迎拨打全国统一服务热线

销售电话: 027-8777 1781
                027-8777 1782
服务电话 133 9713 6633 
传真电话: 027-8777 1786
电子邮箱: whhdgk@126.com

高压试验:串联谐振并联谐振及串并联谐振的试验方法

您的位置:彩虹多多 >> 服务支持 >> 技术文章

    交流耐压试验是对电气设备绝缘外加交流试验电压,该试验电压比设备的额定工作电压要高,并持续一定的时间(一般为1min)。交流耐压试验是一种最符合电气设备的实际运行条件的试验,是避免发生绝缘事故的一项重要的手段。因此,交流耐压试验是各项绝缘试验中具有决定性意义的试验。
    但是,交流耐压试验也有缺点,它是一种破坏性的试验;同时,在试验电压下会引起绝缘内部的累积效应。因此,对试验电压值的选择是十分慎重的,对于同一设备的新旧程度和不同的设备所取的数值是不同的,在我国《电力设备预防性试验规程》中已作了有关的规定。
    一、交流耐压试验接线原理
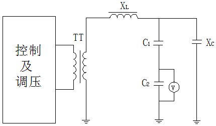
    交流耐压试验的接线,应按被试品的要求(电压、容量)和现有试验设备条件来决定。通常试验时采用是高压成套设备(包括高压试验变压器试验变压器控制箱/台)。图1-1中给出交流工频耐压试验的接线图。

交流耐压试验接线图
图1-1 交流耐压试验接线图

    在图中接于测量线圈P1、P2的电压表属于低压侧测量,可以通过变比换算到高压侧。而接于C1和C2之间电压表属于高压侧测量,这是现场常用的方法,它可以避免由于容性电流而使被试设备端电压升高所带来的影响。 
    我国的试验变压器有各种电压和容量等级,各单位在购置试验变压器时应对本单位的电气设备在实验电压下的充电进行计算,根据充电电流小于试验变压器的额定输出电流的原则来选择试验变压器的容量。而充电电流可以用被试物的电容 来估算(I冲=U试验电压ωCX),CX可用西林电桥来测定。
    二、串联谐振、并联谐振及串并联谐振的试验方法
    对于大型发电机组、变压器、GIS、交联电缆等大容量较大的试品的交流耐压试验,需要大容量的试验变压器、调压器以及电源。现场往往难以办到,即使有试验设备,也需动用大型汽车、吊车等,费力费时。在此情况下,可根据具体情况分别采用串联谐振、并联谐振或串并联谐振的方法来进行现场试验。串并联谐振可通过调节电感来实现,也可通过调节频率或电容来实现。但该试验大多是针对现场大电容设备进行的,因而电容是确定的,一般采用调感或调频来进行谐振补偿。
    1.串联补偿
    当试验变压器的额定电压小于所需试验电压,但电流额定量能满足试品试验电流的情况下,可采用串联补偿的方法进行试验。
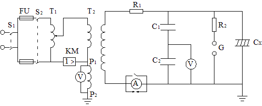
    串联补偿的接线如图1-2所示,其等效电路及向量图如图1-3所示。

串联补偿接线图
图1-2 串联补偿接线图
串联补偿的等效电路及相量图
图1-3 串联补偿的等效电路及相量图

    补偿电抗及试品电容组成串联回路。当采用可调式电抗器进行补偿时,可调节XL,让其值与XC值相等,此时回路发生串联谐振,可在试品上产生十倍于试验变压器输出电压的电压,从而大大降低了试验变压器的额定电压和容量。
    当采用串联补偿时,虽然试验变压器输出电压较低,但对电抗器却要求有与试品相同的耐压水平。另一方面,串联补偿时,当回路达到XL=XC,并且回路电阻很小时,则可能在试品上出现危险的过电压,因此采用串联补偿,应注意避免产生谐振,并且采用补偿电抗器最好采用空心绕组的,因为有铁心的电抗器容易造成非线性的谐振。
    当试品电压较高时,可采用多个分离电抗器叠加形成补偿电抗,当采用补偿电抗器进行补偿时,补偿电抗器的调节可通过多台小电抗的串联、并联及改变分接头位置来实现。
    利用串联谐振做耐压试验有两个优点:①若被试品击穿,则谐振终止,高压消失;②击穿后电流下降,不致于造成被试品击穿点扩大。
    2.并联谐振(电流谐振)法
    当试验变压器的额定电压能满足试验电压的要求,但电流达不到被试品所需的试验电流时,可采用并联谐振对电流加以补偿,以解决容量不足的问题。
    其接线图如图1-4示,并联回路两支路的感抗和容抗分别为XC和XL,当XC=XL时,回路产生谐振。这时虽然两个支路的电流都很大,但回路的总电流I≈0,XC上的电压等于电源电压。当采用可调式电抗器进行补偿时,调节补偿电抗,使补偿电流与试验电流相等,就可使变压器的输出电流很小。

并联补偿接线图
图1-4 并联补偿接线图
并联补偿等效电路及相量图
图1-5 并联补偿等效电路及相量图

 3.串并联谐振法
    除了以上的串联、并联谐振外,当试验变压器的额定电压和额定电流都不能满足试验要求时,可同时运用串、并联谐振电路,通常成为串并联补偿法,其接线如图1-6所示。对要求试验电压高、电容量大的被试品,常采用此接线。

串并联补偿法接线图
图1-6 串并联补偿法接线图

 4.采用串联、并联谐振和串并联谐振法的注意事项
    ①电源电压和频率要求稳定,应避免用电阻器调压;
    ②回路电阻R1要求足够的热容量,并保持稳定;
    ③试验电压直接在被试品两端测量;
    ④电感线圈应满足电流和绝缘强度的要求;
    ⑤对于并联谐振法,当被试品击穿而谐振停止时,试验变压器有过流的可能,因此,要求过流速断保护能可靠动作;
    ⑥对于串联谐振法,当被试品击穿时,回路中的电流减小电压降低,所以,除了正常的过流保护外,还应有欠压保护措施。


有关交流耐压谐振试验装置信息咨询、技术资料等欢迎致电:027-87771780 点击了解更多详细方案
上一篇: 彩虹多多:变压器绝缘油如何进行试验?应该注意哪些事项?
下一篇: 电气设备交流耐压试验注意事项及操作规范
版权说明:本站所有文章、图片、视频等资料的版权均属于彩虹多多官网-追求健康,你我一起成长 chdd ,其他任何网站或单位未经允许禁止转载、用于商业盈利,违者必究。如需使用,请与彩虹多多 联系;允许转载的文章、图片、视频等资料请注明出处"来自:武汉彩虹多多"。

荣誉客户

荣誉资质