彩虹多多



热门关键词: 高压开关动作特性测试仪 断路器特性测试仪 彩虹多多:变压器综合测试系统 承装承试设备选型 高压开关测试仪 变压器综合测试 串联谐振

联系彩虹多多

及时联系彩虹多多 为您解答产品相关疑问 欢迎拨打全国统一服务热线

销售电话: 027-8777 1781
                027-8777 1782
服务电话 133 9713 6633 
传真电话: 027-8777 1786
电子邮箱: whhdgk@126.com

继电保护测试仪输出电源的操作说明

您的位置:彩虹多多 >> 服务支持 >> 技术文章

     继电保护测试仪使用可参考水利电力部电力生产司编的《保护继电器校验》水利电力出版社一书。
     1、测量:
     可作为单独的电压、电流源使用,但须注意各项输出功率,以免损坏仪器。具体操作按“四”进行。
     2、过量程、欠量程:测量各种继电器的启动值、返回值、返回系数及触点动作时间(包括电压、电流继电器)。
     过量程是指继电器触点合上为动作值的继电器,欠量程是指以继电器触点分开为动作值的继电器。
     继电器的动作值、返回值及返回系数的测量:
     按照前面“四”来调节输出电源,选择T3至ⓧ状态,将同步开关按下,缓慢调节T4旋钮至继电器动作,观察指示灯由灭变亮,此时X1的显示为其动作值。继续调节T4至该继电器额定值后,再缓慢将T4调回至继电器返回,观察指示灯由亮变灭,此时X1的显示为返回值。用返回值除以动作值再乘以100%即为返回系数。
     继电器的时间测量:
     按照前面“四”来调节输出电源,选择T3至继电器的触点状态,将同步开关按下,缓慢调节T4旋钮至继电器的额定值。通过同步开关,可测得继电器的时间(2的显示值)。注意测试前须将毫秒表清零,合闸开关在开的位置。
     同步开关与触点状态对应关系如下:
     ⅠⅢ状态,同步开关由关至开;
     ⅡⅣ状态,同步开关由开至关。
     触点接线如下:

触点接线 

     3、时间继电器的测量与上述方法相同。
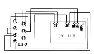
     4、重合闸(以DH—3重合闸为例):
     DH—3型重合闸继电器操作如下:

DH—3型重合闸继电器操作 

     按图接线,(3)(4)接J5黑柱(负极),(17)接J5红柱(正极)。
     注意:若用ZJ3触点停止毫秒表时,应注意将ZJ3接到(12)脚的接线断开,将ZJ3触点分离开来(见《保护继电器检验》352页),把T1旋到DC20A档,打开电源开关调节T4至继电器额定电流值。关掉电源开关,将T2调至继电器的额定电压值。将T3调至Ⅰ位置(即继电器ZJ3的触点状态)。打开电源开关,按下定值输出开关,充电15~25秒后(毫秒表上可读出充电时间),将毫秒表复位,按下“重合闸开关”,测量重合闸时间,X2显示的值为重合闸继电器的重合闸时间。 


  有关单相继电保护校验仪信息咨询、技术资料等欢迎致电:027-87771780 点击了解更多详细方案
上一篇: 电力试验设备——如何选择继电保护测试仪
下一篇: 彩虹多多:继电保护测试仪输出电源的操作——差动继电器
版权说明:本站所有文章、图片、视频等资料的版权均属于彩虹多多官网-追求健康,你我一起成长 chdd ,其他任何网站或单位未经允许禁止转载、用于商业盈利,违者必究。如需使用,请与彩虹多多 联系;允许转载的文章、图片、视频等资料请注明出处"来自:武汉彩虹多多"。

荣誉客户

荣誉资质