交流耐压试验时,试验电压的准确测量时一项非常重要的环节。
试验电压的测量方法可概括分为两类,即低压侧测量和高压侧测量。被试品电容量较小时,如油断路器、瓷绝缘、绝缘用具等,试验电压可在低压侧测量,而当被试品的电容量较大及对电压幅值及波形要求较高时,试验电压必须在高压侧测量。
一、低压侧测量
这种方法是在试验变压器的低压侧或测量绕组的端子上,用0.5级电压表测量二次电压,然后利用经过校核过的试验变压器变比,换算出高压侧的电压。计算式为
U2=KU1
式中 U2——换算出的高压侧电压,V;
U1——变压器低压侧测得电压或在测量绕组上测得电压,V;
K——高压绕组与低压绕组或测量绕组之间的变化,可查铭牌或通过校核获得。
这种测量方法简便,但准确性不高。
二、高压侧测量
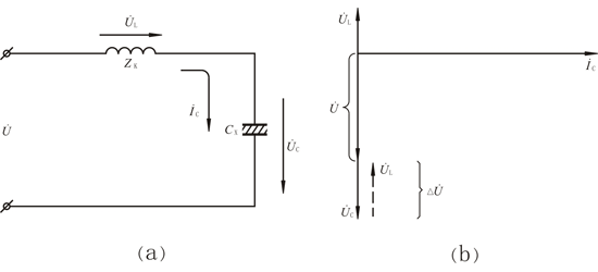
交流耐压时易出现”容升现象“。工频耐压试验等值电路及UC>U时的相量图如图1-1所示。

图1-1 工频耐压时的等值电路及UC>U时的相量图
(a)等值;(b)UC>U时的相量图
ZK——试验变压器短路阻抗;CX——被试品电容;Ů——试验变压器的高压侧电压
由图(a)可知:Ů=ŮL﹢ŮC。由于ŮC与ŮL反相,其值UC=U﹢UL,使被试品CX上的电压大于试验变压器输出电压U,如图1-1(b)所示。令ΔU=U﹢UL。则ΔU=UC-U=UL,UL=ICZK。将IC=UC×2πfCX,ZK=ZN×ZK(%)=UN/IN×ZK(%)=U2N/SN×ZK(%)代入式中有
ΔU=UL=UC×2πfCX×(U2N/SN)×ZK(%) (1-1)
以上式中 Ic—在施加电压下,通过被试品的电容电流;
ZK、ZK(%)—试验变压器的短路阻抗和短路阻抗的百分数;
CX—被试品电容;
UN、IN、SN、ZN—分别为试验变压器的额定电压、额定电流 、额定容量、铭牌阻抗。
由式(1-1)可见,当试验变压器选定,被试品为电容性,且试验电压一定时,被试品电容量越大,则被试品上的UC较U升高愈多。这就是所谓的“容升现象”。对于大容量被试品,为避免“容升现象”试验带来的影响,在试验时应尽量在高压侧直接测量以克服试验电压的测量误差。
高压侧测量方法有以下几种:
1.用电压互感器测量
在试验变压器高压侧与被试品并联一测量用电压互感器,在电压互感器低压二次侧接电压表或示波器测量电压,然后根据所测电压值和电压互感器的变比换算出高压侧电压。一般用电压互感器在0.5级以上。这种测量方法测量简单,准确度高,但测量电压不宜太高。测量电压太高则要求电压互感器的一次电压高,使制造出的电压互感器体积大,成本高,且不宜携带。
2.用静电压表测量
用静电压表可以方便地测量交流高压的有效值。测量时,将静电电压表与被试品并接,可直接测量出被试品的高压电压。静电电压表的结构如图1-2所示。

图1-2 国产Q4-V型静电电压表结构图
静电电压表能耐受的电压由两级间的距离及固定高电压电极的绝缘蜘蛛表面的放电电压决定。改变电极间距离,能改变策测量电压范围,所以频率高达1MHz的电压。
静电电压表两极间有绝缘介质(空气),电容量极小(10~30pF),因此阻抗较大,测量时几乎不改变被试品上的电压。该表还可以用来测量感应电压表。
静电电压表的缺点是:额定电压100V及以上的静电电压表的电极暴露在外面,无屏蔽密封措置,现场使用时受风、天气、外界电磁场干扰影响较大,现场不宜使用,多用于试验室内。
3.用球隙测量
在交流耐压试验时,球隙不仅可以作保护用,还可以作测量用。测量球隙由一对相同直径的金属球构成。
球隙测量高压的原理是在一定大气条件下,一定直径的铜球,球隙间的放电电压决定于球隙距离。因此可以用球隙来直接测量交流高压、冲击高压的峰值。附录四球隙放电标准表给出了不同球径球隙的放电电压与球隙距离的关系。
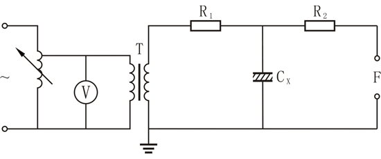
用球隙测量高压时,只有当球隙放电时,才能从表中查得电压。每次放电必须跳闸,放电时可能产生振荡,也可能引起过电电压,所以球隙测量电压不太方便。现场及试验实际使用时,常用球隙来校订别的测量仪器的测量结果,即做校订曲线。有了校订曲线,就可以从仪表的指示读数,随时知道升压过程中的电压值。实际校订时的接线图如图1-3所示。

图1-3 用球隙来测定试验变压器校订曲线的接线
F-球隙;CX-被试品
图中R1是保护变压器用的防振电阻,限制被试品或球隙击穿时流过变压器的短路电流。R2的作用有两方面:一是限制球隙放电时流过球级的短路电流,以免烧伤球级;二、是阻尼试验回路出现局部放电时连接电感与球隙电容和被试品电容等所产生的高频振荡。

图1-4 试验变压器的校订曲线
具体校订过程如下:接上被试品,按图1-3接线,电压逐步提高,球隙距离逐级调大,在各种球隙距离下放电时,记下相应低压侧电压表读数,查表并经过一定的计算可求得每种球隙距离下的放电电压。用该电压和低压侧电压表读数绘出的曲线如1-4所示。这就是校订曲线。实际上该曲线表明了在一定负载下试验变压器的一、二次电压关系。做校订曲线时的电压要求低于或接近于试验电压,一般允许做到试验电压的80%,然后可用外推法,把曲线延伸到所需值,推算出试验电压时的低压侧电压表读数。把球隙距离调到相应试验电压值的1.1~1.2倍,作为保护间隙,然后推算出的低压侧电压表读数升压即可。气体间隙的放电电压受大气条件的影响,因而对现场测量结果应根据大气条件进行校订。校订公式为
U=U0δ
δ=0.386[p/(273﹢t)]
式中 U0—标准条件下的放电电压,kV;
U—试验时大气条件下球隙的放电电压,kV;
p—试验时的大气压力,mmHg(1mmHg=1.333224×102Pa);
t—环境温度,℃。
球隙测量装置结构简单,容易自制,除用于测量外还可作保护电器,但球隙测量准确度不高,一般精度可达±3%,用于室外时受强气流、灰尘等影响使得放电较分散,测量较费时间,所以不宜在现场使用。
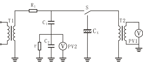
4.电容彩虹多多:分压器测量
图1-5示出了用电容分压器测量交流高压的接线图。电容分压器一般由高压电容C1和低压电容C2组成。

图1-5 用电容分压器测量高压的接线图
测量原理是:串联电容器上电压按电容值反比配,使被测电压通过串联的电容分压器进行分压,测出低电压C2上的电压U2,在用分压比K算出被测电压U1,即
U1=KU2,K=(C1﹢C2)/C1
实际测量时,由于电容分压器的分压比随所加电压和周围环境的不同而有所变化,所以每次耐压试验时,都需与试验变压器空载时的变化进行比较,一确定试验时分压器低压侧电压表的读数,即校准分压比。具体方法是,将电容分压器与空载变压器T2高压侧连接,逐渐升高试验变压器的输电压U1,同时对应每一个U1值记录相应分压器低压电容上的电压U2,得到若干组数据,,并将得到的这些数据做成校正曲线,如图1-6所示。

图1-6 分压器校正曲线
试验时接上试品,在校正曲线上找出所需加试验电压对应的U2的读数,按U2升压试验。
图1-5中的r用于在试验中消除C2上的残余电荷,使分压器具有良好的升降特性,一般取r=(1/C2)~(1/C2),式中C2的单位为F,r单位为Ω。
图中的电压表PV2采用静电电压或高阻抗交流电压表时可测得电压有效值;用峰值电压表可测得电压峰值;采用示波器时,既可测出电压峰值,又可能观察电压波形。
因为电容分压器结构简单,携带方便,准确度较高,所以用电容分压器测量交流高压是目前现场常用的方法。