一、试验接线
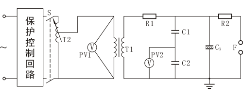
图1-1示出了交流耐压试验常用的原理接线图。实际的试验接线应根据被试品的要求和现场设备的具体条件来确定。

图1-1 交流耐压试验原理图
T1—试验变压器 T2—调压器 R1、R2保护电阻器
F—球隙 S—开关 Cx—被试品 C1、C2—分压电容器
根据图1-1,可以把交流耐压试验接线分为五个部分:交流电源部分、调压部分、控制保护部分、电压测量部分和波形改善部分。
二、试验设备
1.交流电源部分
交流耐压试验电源多为220、380V和6、10kV交流电源,一般小容量被试品交流耐压试验多采用220、380V试验电源,对试验电源电压波形要求较高时,多采用线电压380V。大容量超高压试验变压器多采用6~10kV移圈式调压器进行调压,故需6~10kV试验电源。试验电源一般从系统中抽取。
2.调压部分
对调压器的基本要求是电压应能从零开始平滑的进行调节,以满足试验所需的任意电压,并且在调节过程中电压波形不发生畸变。常用的调压器有自耦调压器、移圈式调压器和感应式调压器。调压器的输出波形应尽可能接近正弦波,调压器的容量通常要求与试验变压器容量相同。
①自耦调压器
采用自耦调压器时是现场常用的一种简单的调压方式。自耦调压器具有体积小、重量轻、效率高、可以平滑地调压、输出波形好、功耗小等优点。由于自耦调压器试移动碳刷接触调压,所以容量受到限制,单台容量可作到30kVA,一般用于电压50kV以下小容量试验变压器的调压。
②移圈式调压器
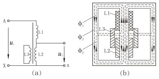
移圈式调压器原理接线及结构示意图如图1-2所示。

图1-2 移圈式调压器原理接线结构图
(a)原理接线图 (b)结构图
它是通过一个可以活动的绕组L3来调节电压的。其结构特点是:在铁芯的上、下部各套着绕组L1、L2,两者匝数相等,绕向相反,互相串联。在这两个绕组外面还套着一个可沿铁芯上下移动的短路线绕组L3。改变短路绕组L3与反串联的L1、L2两绕组之间的相对位置,就改变了两绕组的阻抗和电压分配,即改变了输出电压u2.它调节电压的原理是:在AX端加电源电压u1后,电流i在上、下部铁芯中产生方向相反的磁通Ф1和Ф2,它们分别通过非导磁材料各自构成闭合回路,如图1-2(b)所示。当转动把手,使短路绕组L3移至铁芯下端时,Ф2和L3交接,在L3内感应的电流产生和Ф2相反的磁通Ф3,其大小与Ф1等,所以交链L1的磁通为零,即电压为零,全部电压都加在L2上,则输出电压等于全电压u1。当绕阻L3移至铁芯中间位置时,Ф1和Ф2与L3的交链情况相同,但在L3中产生的感应电动势方向相反,互相抵消,使绕组L3无感应电流,则电压u1在L1和L2两个绕组上各占一半,输出电压大小等于外电压u1的一半,即U2=1/2×U1。所以,当线圈式调压器通过移动绕组L3由下端向上移动时,输出电压由零逐渐增大为U1。
移动绕组L3可以制成手动或电动式。移圈式调压器没有滑动触头,因此容量能造的较大。目前国内可以生产的电压10kV,容量2500kVA的移圈式调压器,他它的体积较大。由于它的主磁通量Ф1和Ф2要经过一段非导磁材料(空气或变压器油),磁阻较大,因此激磁电流相当大,漏抗也很大,但其铁芯却不易饱和,这两方面对工频电压输出的波形具有一定影响。铁芯不易饱和使输出波形畸变的因素减弱;而漏抗很大将促使波形发生畸变。因此移圈式调压器效率低,空载电流大,在低电压和接近额定电压下使用,波形易发生畸变。
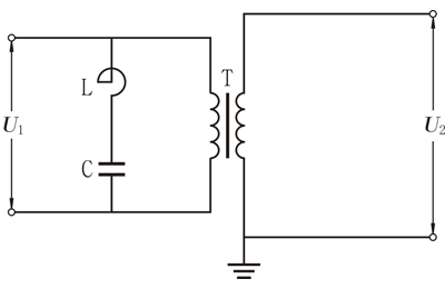
为了改善试验电压的波形,在使用移圈式调压器调压时,应在调压器输出端或变压器低压侧装设滤波器,如图1-3所示。

图1-3 滤波回路图
L、C—滤波用电感、电容 U1、U2—试验变压器的输入与输出电压值
电容C一般选6~10μF.根据需要滤掉的谐波频率f按下式计算出L的数值
f=10-3/[2π√(LC)]
式中f——需要滤掉的谐波频率,Hz;
C——电容,一般取6~10μF;
L——电感,mH
当移圈式调压器调压时,其容量一般应大于或等于试验变压器的容量,必要时,可允许过负荷25%。
移圈式调压器在高压试验室及现场应用很广,它是100kV以上试验变压器常用的配套调压装置。
③高压试验变压器
用于高压试验的特制变压器,称为高压试验变压器。它与电力变压器相比较,具有容量不很大、额定电压高,允许持续工作时间短,多工作在电容性负荷下、经常要放电、通常高端绕组一端接地、不需要附加散热装置、体积较小等特点。
(1)试验变压器电压、电流及容量的选择。试验时应根据被试设备的电容量和试验使得最高电压来选择试验变压器。其额定电压不应低于被试品所施加的最高电压,同时试验变压器低压侧电压应和试验现场的电源电压及调压器电压相配套。
因为被试品大多为电容性的,由被试设备的电容量可以计算出试验中通过试验变压器高压绕组的电流IT(主要是电容电流)。其计算式为
IT=ωCxUexp×10-6,mA (1-1)
式中Cx——被试品电容量(见表1-1),pF;
Uexp——给被试品施加的试验电压(有效值),kV
ω——所施加电压的角频率。
选择试验变压器时,应使高压绕组的额定电流不低于是(1-1)的计算值。
|
试品名称
|
电容值
|
|
试品名称
|
电容值
|
|
线路绝缘子
|
<50pF
|
|
电容式电压互感器
|
3000~15000pF
|
|
高压套管
|
50~600pF
|
|
电力变压器
|
1000~15000pF
|
|
高压断路器、互感器
|
50~1000pF
|
|
电力电缆
|
150~00pF/m
|
所需试验变压器的容量ST=ωCxU2exp×10-6,kVA (1-2)
式中Uexp——被试品所加的试验电压(有效值),kV;
Cx——被试品的点容量(见表1-1)pF;
ω——所加电压角频率。
应当指出,选择的试验变压器容量应尽可能大于式(1-2)的计算结果。这是因为试验线路、试验设备本身对地存在杂散电容,使得估算的试验电流小于实际值的缘故。
有时在试验大电容被试品时试验变压器容量不够,采用补偿的方法来减小流经变压器高压绕组的电流,以满足试验对变压器容量的要求。如采用高压电抗器与被试品并联,使流过电抗器的感性电流与流过被试品的容性电流相补偿,可减小流过试验变压器的电流,从而减小试验变压器的所需容量。这时变压器的容量可按下式计算
ST=[ωCx×10-12-(1/ωL)]U2exp×103,kVA (1-3)
式中 L——补偿线圈电感,H。
其它符号说明同式(1-2)。
从式(1-3)可看出,采用补偿后,试验变压器的容量大大减小了。目前常用串联谐振装置(电感与被试品串联)来满足大容量被试品的试验要求。
顺便提及,国内外也正在发展采用低频(2Hz)和超低频(0.1Hz)的耐压试验方法。
(2)串级式试验变压器。试验现场时,有时需要较高的试验电压,而单台试验变压器的电压不会做得太高。由于经济技术方面的原因(费用、绝缘、运输),常采用几个变压器串联的办法来提高试电电压。图1-4示出了目前最常用的一种串接方式。图中绕组L1为低压绕组,L2为高压绕组,L3为供给下一级励磁用的串级励磁绕组。第一台试验变压器的高压绕组L2的一端接地,另一端串联一绕组L3,供给第二台变压器低压绕组励磁,第二台变压器的L1和L2各有一端和变压器的外壳相连,它们都处于第一台高压端的对地电压,即为U2,因此第二台变压器的外壳必须对地绝缘起来。第二台变压器高压端的对地电压就是两台变压器高压端输出地电压之和,即为2U2。显然,第三台变压器的外壳电位为2U2,其高压端对地电位为3U2,即通过三台变压器串联,可以获得3倍于单台试验变压器额定电压的试验电压。

图1-4 由单台高压试验变压器组成的串级式试验变压器示意图
值得一提的是,串级式试验变压器的试验输出额定容量不等于装置总容量。对图1-4所示的三台变压器串接组成的串级式试验变压器来讲,若该装置输出的额定试验容量Sexp=3U2I2,则最高一级变压器T3的高压侧绕组额定电压U2,额定电流为I2,装置的额定电容量为U2I2。变压器T2的额定电容量为2U2I2。这是因为这台变压器除了要直接供应负载U2I2的容量外,还得供给最高一级变压器T3的励磁容量U2I2。同理,最下面一台变压器T1应具有的额定电容量为3U2I2。所以每台变压器的容量是不同的。串级式试验变压器整套设备的总容量为各变压器容量之和。即
S∑=3U2I2+2U2I2+U2I2=6U2I2
所以可用的试验容量Sexp与装置总容量S∑之比即试验装置的利用率,即
η=Sexp/S∑×100%=(3U2I2)/(6U2I2)×100%=50%
对n台变压器串级使用时,其装置利用率为
η=Sexp/S∑×100%
=nU2I2/[U2I2(1+2+3+...+n)]×100%
=nU2I2/{U2I2[n(n+1)/2]}×100%
=2/(n+1)×100%
即随着串级级数的增加,装置的利用率显著降低。这是这类串级式试验变压器的一个缺点,一般串级的级数n≤3~4。