彩虹多多



热门关键词: 高压开关动作特性测试仪 断路器特性测试仪 变压器综合测试系统 承装承试设备选型 高压开关测试仪 变压器综合测试 串联谐振

联系彩虹多多

及时联系彩虹多多 为您解答产品相关疑问 欢迎拨打全国统一服务热线

销售电话: 027-8777 1781
                027-8777 1782
服务电话 133 9713 6633 
传真电话: 027-8777 1786
电子邮箱: whhdgk@126.com

GIS的异常及故障分析

您的位置:彩虹多多 >> 服务支持 >> 技术文章

 一、GIS常见故障
    GIS设备运行可靠性高、维护工作量小、检修周期长的优点已体现出来。但也先后出现过一些故障,主要表现在以下几方面:
    1.SF6气体泄露
    这类故障通常发生在组合电器的密封面、焊接点和管路接头处。主要原因是由于密封垫老化,或者焊缝出现砂眼引起。每年因此需要对GIS补充大量的SF6气体来保证正常工作压力。这类故障比较普遍。
    2.SF6气体微水超标
    运行时断路器气室SF6气体微水量要 ,其他气室 。SF6气体含水量太高引起的故障易造成绝缘子或其他绝缘件闪络。微水超标的主要原因是通过密封件泄露渗入的水份进入到SF6气体中。
    3.开关故障
    断路器、负荷开关、隔离开关或接地开关等元件的气体击穿。还有动、静触头在合闸时偏移,引起接触不良。
    4.GIS内部放电
    由于制造工艺等原因,在GIS内部某些部件处于悬浮电位,导致电场强度局部升高,进而产生电晕放电,GIS中金属杂质和绝缘子中气泡的存在都会导致电晕放电或局部放电的产生。
    5.液压机构出现渗漏油或打压频繁等故障
    出现这类故障大多是由于液压机构密封圈老化,或安装位置偏移、或储压筒漏氮等原因引起。这类故障在GIS中比较普遍。
    二、传统诊断方法
    传统的诊断方法利用物理和化学的原理和手段,通过伴随故障出现的各种物理和化学现象,直接检测故障例如利用振动、声、光、热、电、磁、射线、化学等多种手段,观测其变化规律和特征,用以直接检测和诊断故障。这种方法形象、快捷、十分有效,但只能检测部分故障。
    1.机械振动法
    利用机械振动法检测局部放电,是一种不停电的监测技术。其基本原理是一旦有局部放电发生,就会产生振动,在设备外壁安装加速度测量仪很容易检测出来。因此,检测局部放电可以从探测外壳上的机械振动入手。
    气体局部放电会产生一定的振动波,经过传递后会在金属外壳上引起轻微振动,采用敏感度高的加速度传感器有可能探测出这种信号,但设备操动机构动作及运行中的噪声会影响对局部放电的监测。区别局放信号与干扰信号的方法有用带通滤波器除去设备自身的振动信号和周围干扰信号的低频成分,以及电气干扰信号的高频成分;进行输入信号的基准值判断,将某一定数值以上的信号作为干扰信号除去;进行与试验电源同期的脉冲调制,对波形的绝对值进行平均化处理调整其周期性,局放信号具有明显周期性,而干扰信号波形是无周期的,以此将二者区分开。
    2.检测管检测法
    SF6气体经过长期运行或内部放电会分解出SF4、SOF2、HF、SO2等气体,对这些成分的监测,可以诊断出设备是否有放电发生,或是监测原理类似于变压器油的色谱分析对运行中气体组分进行检测,有助于了解运行中的运行状态和可能潜伏的故障。
    其工作原理是:通过检测装置从高压电气设备中提取一定体积的SF6气体,分别通过SO2、HF检测管,这些分解产物会在检测管中发生化学反应改变颜色,可根据变色柱的长度,读出SF6气体中的SO2、HF的浓度。
    3.超声波检测法
    当电气设备内部发生局部放电时,在放电处产生超声波向四周传播,一直达到电气设备容器的表面。在设备外壁装上超声波传感器,可以检测此电信号来判断设备内部是否发生局放。超声波探测器检测的特点是抗干扰性较强,使用方便,可以在运行中和耐压试验时检测绝缘内部的放电,传感器与设备的电气回路无任何联系,而且便于故障定位。
    4.电测法
    利用GIS带电体与缸体的静电电容进行测量,或利用GIS带电部分与缸体保持绝缘的绝缘子的静电电容进行局放监测。使用该方法时可以采用电容耦合法对高压导体进行测量,也可以对外壳的接地线进行测量。
    用环氧支撑绝缘子中预埋的金属圈来进行测量,金属圈与高压导体之间的电容起耦合电容的作用。
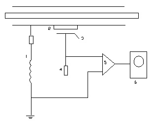
    如支撑绝缘子中无预埋的金属圈,则可用图1-1所示的外部电极法进行测量。在外壳上覆盖一薄绝缘层和一电极片,构成对外壳的电容。由于外壳的接地线有电阻和电感,因此在等值频率很高的局部放电电流流过接地线时,外壳会有一对地电位,通过上述电容耦合加到阻抗Z上,阻抗Z上信号经放大后送到显示仪器。

用外部电极法测量局部放电示意图
图1-1 用外部电极法测量局部放电
1-设备外壳的接地线;2-薄绝缘层;3-外部电极;
4-阻抗Z;5-放大器;6-示波器

 测量设备外壳接地线中的局部放电脉冲,可用带铁芯的罗果夫斯基线圈做成的传感器。
    三、设备状态判断
    首先是利用上述各种方法对GIS进行诊断,通过伴随故障出现的各种物理和化学现象,直接检测故障。例如:可以利用振动、声、光、热、电、磁、射线、化学等多种手段,观测其变化规律和特征,用以直接检测和诊断故障。这种方法形象、快速,十分有效,但只能检测部分故障。
    其次,利用故障所对应的征兆来诊断故障是最常用、最成熟的方法。在诊断过程中,首先分析设备运转中所获取的各种信号,提取信号中的各种特征信息,从中获得与故障相关的征兆,利用征兆进行故障诊断。由于故障与各种征兆之间并不存在简单的一一对应关系,因此,利用征兆进行故障诊断往往是一个反复探索和求解的过程。
    在上述传统的诊断方法的基础上,将人工智能的理论和方法用于故障诊断,发展智能化的诊断方法,是故障诊断的一条新的途径,目前已广泛应用。
    四、故障处理方法
    判断出GIS的故障后,可采用下列相应的处理措施:
    (1)对于SF6气体泄漏,通常先用SF6检漏仪对漏气间隔进行检测,找出漏气点。若为焊缝漏气,将SF6气体回收后进行补焊;若为密封接触面漏气,通常在回收SF6气体后更换密封圈。
    (2)对于SF6气体微水超标,通常办法为回收SF6气体后,用氮气反复冲洗、干燥、抽真空,再充入新SF6气体。
    (3)对于动、静触头接触不良或母线筒放电等故障,则必须停电解体后查明原因,针对不同故障,更换相应的备件。
    (4)对于液压机构渗漏油或打压频繁故障,在停电后需将液压机构泄压,查明原因,更换相应的油封。


有关产品购买、信息咨询、技术资料等欢迎致电:027-87771780
来源:彩虹多多官方网站
上一篇: 彩虹多多:GIS元器件试验及连锁试验方法
下一篇: 电气设备绝缘电阻、吸收比试验方法
版权说明:本站所有文章、图片、视频等资料的版权均属于彩虹多多官网-追求健康,你我一起成长 chdd ,其他任何网站或单位未经允许禁止转载、用于商业盈利,违者必究。如需使用,请与彩虹多多 联系;允许转载的文章、图片、视频等资料请注明出处"来自:武汉彩虹多多"。

荣誉客户

荣誉资质