一、绝缘电阻试验使用范围
1.当电气设备绝缘受潮,表面变脏,留有表面放电或击穿痕迹时,其绝缘电阻会显著下降。测量绝缘电阻可有效反映上述绝缘缺陷。
2.测量仪器。根据绝缘等级和测试要求的不同,采用输出电压为100V、250V、500V、1000V、2500V、5000V、10000V等的绝缘电阻测试仪。
3.由于绝缘电阻试验所施加的电压较低,对于一些集中性缺陷,即使可能是很严重的缺陷,但在测量时显示绝缘电阻仍然很大的现象,
注:绝缘电阻试验只适用于检测贯穿性缺陷和普遍性缺陷。
二、绝缘电阻试验的主要参数及技术指标
1.“吸收现象”
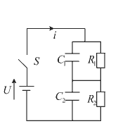
电气设备的绝缘,不能等值为单纯的电阻,其等值电路往往是电阻电容的混合电路。因此,在绝缘试验中测得的并不是一个纯电阻。如图1-1为双层电介质的一个简化等值电路。
当合上开关S将直流电压U加到绝缘上,开始电流很大,以后逐渐减小,最后趋近于一个常数Ig;这个过程的快慢,与绝缘试品的电容量有关,电容量越大,持续的时间越长,甚至达数分钟或更长时间。
图1-2中曲线i和稳态电流Ig之间的面积为绝缘在充电过程中从电源“吸收”的电荷Qa。这种逐渐“吸收”电荷的现象就叫做“吸收现象”。

在绝缘电阻试验中,所测绝缘电阻是随测量时间变化而变化的,只有当t=∞时,其测量值为R=R∞,但在绝缘电阻试验中,特别是电容量较大时,很难测量R∞的值。
R60S
在实际试验中,规程规定,只需测量60s时的绝缘电阻值,即R60S的值,当电容量特别大时,吸收现象特别明显,如大型发电机,可以采用10min时的绝缘电阻值R10min。
2.吸收比K、极化指数PI
对于不均匀的绝缘试品,如果绝缘状况良好,则吸收现象明显,如果绝缘受潮严重或内部有集中性的导电通道,这一现象则不明显。工程上用“吸收比”来反映这一特性,吸收比一般用K表示,其定义为:
K = R60s / R15s (1-1)
对于电容量较大的绝缘试品,可采用极化指数PI表示:
PI= R10min / R1min (1-2)
3.技术指标
当绝缘状况良好时,K值较大,其值远大于1;
当绝缘受潮时,K值将变小,一般认为如K<1.3时,就可判断绝缘可能受潮。
对电容量较小的绝缘试品,可以只测量其绝缘电阻,对于电容量较大的绝缘试品,不仅要测量其绝缘电阻,还要测量其吸收比。
三、试验设备
1.摇表
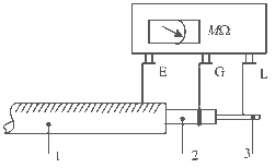
摇表有三个接线端子:线路端子(L),接地端子(E),屏蔽(或保护)端子(G),被试品接在L和E之间,G用以消除绝缘试品表面泄漏电流的影响,其试验原理接线如图1-3所示。

在绝缘试验中,如不接屏蔽端子,测得的绝缘电阻是表面电阻和体积电阻的并联值,因为这时沿绝缘表面的泄漏电流同样流过摇表的测量回路。如果在表面上缠上几匝裸铜线,并接到端子G上,则绝缘表面泄漏电流不流过摇表的测量回路,这时测得的结果便是消除了表面泄漏电流影响的真实的体积电阻。

(1)测量时必须保持转速的恒定,手柄转速达到额定转速(通常为120r/min)的80%以上即可。
(2)当试品电容较大时,测量后须先将摇表从测量回路中断开,然后才能停止转动发电机,以免试品电容电流反充损坏仪器。
(3)目前工程上大量采用绝缘电阻测试仪。
与手摇式摇表相比,绝缘电阻测试仪不仅试验工作量降低,测量吸收比时更容易,而且电源容量可以做得较大,同时,一台绝缘电阻测试仪还可以将几种不同电压集成在一台设备中,适用面更广。
2.绝缘电阻测试仪
绝缘电阻测试仪测量大容量设备的绝缘电阻,测试时间长,而恒速摇动绝缘电阻测试仪10min是极难做到的。
用绝缘电阻测试仪测试电气设备时,用不同电压等级的绝缘电阻测试仪,测同样的电气设备,测出的阻值是不相同的。如用2500V绝缘电阻测试仪测得电气设备的绝缘电阻为5000MQ,再用5000V绝缘电阻测试仪测试时,阻值将小于5000MQ。另外,在进行测试时,由于其输出电压会随手柄转速的变化而变化,对电容性试品,当转速高时,输出电压也高,该电压对被试品充电,当电压低时,被试品向绝缘电阻测试仪充电,导致表针摆动,影响准确读数。
数字式的测量仪具有(1)测量范围广、误差小,(2)实时时钟控制,计时精准,(3)抗干扰,(4)无需摇动手柄,(5)良好的安全措施等优点。
四、绝缘电阻试验结果判断的基本方法---比较法
在绝缘电阻试验中,所测绝缘电阻值与绝缘材料的结构、体积有关,与所用的绝缘电阻测试仪的电压高低有关,还与大气条件有关;不能简单的用绝缘电阻的大小或吸收比来判断绝缘的好坏。
在排除了大气条件的影响后,所测绝缘电阻值和吸收比应与其出厂时的值比较,与历史数据相比较,与同批设备相比较,其变化不能超过规程允许的范围。同时,应结合绝缘电阻值与吸收比的变化结合起来综合考虑。
五、测量绝缘电阻的规定
1.测试规定
①试验前应拆除被试设备电源及一切外连线,并将被试物短接后接地放电1min,电容量较大的应至少放电2min,以免触电。
②校验绝缘电阻测试仪指针在短路时是否指零,在开路时是否指无穷大。
③用干燥清洁的柔软布擦去被试物的表面污垢,必要时可先用汽油洗净套管的表面积垢,以消除表面的影响。
④接好线,如用手摇式绝缘电阻测试仪时,应用恒定转速(120r/min)转动摇柄,绝缘电阻测试仪指针逐渐上升,待1min后读取其他绝缘电阻值。
⑤在测量吸收比时,为了在开始计算时就能在被试物上加上全部试验电压,应在绝缘电阻测试仪达到额定转速时再将表笔接于被试物,同时计算时间,分别读取15s和60s的读数。
⑥试验完毕或重复进行试验时,必须将被试物短接后对地充分放电。这样除可保证安全外,还可提高测试的准确性。
⑦记录被试设备的铭牌、规范、所在位置及气象条件等。
2.测试时注意事项
①对于同杆双回架空线或双母线,当一路带电时,不得测量另一回路的绝缘电阻,以防感应高压损坏仪表和危及人身安全。对于平行线路,也同样要注意感应电压,一般不应测其绝缘电阻。在必须测量时,要采取必要措施才能进行,如用绝缘棒接线等。
②测量大容量电机和长电缆的绝缘电阻时,充电电流很大,因而绝缘电阻测试仪开始指示数很小,但这并不表示被试设备绝缘不良,必须经过较长时间,才能得到正确的结果。使用手摇式绝缘电阻测试仪测量大容量设备的绝缘电阻时,试验结束时手不能停,耍先断开L线与被测设备之间的联接,再停止转动摇表,并立即对被测设备放电和接地,防止被试设备对绝缘电阻测试仪反充电损坏绝缘电阻测试仪和被测设备所带高电压电人。
③如所测绝缘电阻过低,应进行分解试验,找出绝缘电阻最低的部分。
④一般应在干燥、晴天、环境温度不低于50C时进行测量。在阴雨潮湿的天气及环境湿度太大时,不应进行测量。
⑤测量绝缘的吸收比时,应避免记录时间带来的误差。
⑥为了避免表面泄漏电流的影响,测量时应在绝缘表面加等电位屏蔽环,且应靠近E端子装设。
⑦绝缘电阻测试仪的L和E端子接线不能对调。用绝缘电阻测试仪测量电气设备绝缘电阻时,其正确接线方法是L端子接被试品与大地绝缘的导电部分,E端子接被试品的接地端。
⑧绝缘电阻测试仪与被试品间的连线不能铰接或拖地,否则会产生测量误差。
⑨采取绝缘电阻测试仪测量时,应设法消除外界电磁场干扰引起的误差。消除外界电磁场干扰的办法是:
远离强电磁场进行测量;
采用高电压级的绝缘电阻测试仪,例如使用5000V或10000V的绝缘电阻测试仪进行测量;
利用绝缘电阻测试仪的屏蔽端子G进行屏蔽。
(10)对同一设备进行测量时,应采用同样的绝缘电阻测试仪、同样的接线,以便于比较判断。
六、影响测试绝缘电阻的主要因素
1.湿度
当空气相对湿度增大时,绝缘物将吸收较多的水分,使电导率增加,降低了绝缘电阻的数值,尤其是对表面泄漏电流的影响更大。
2.温度
电气设备的绝缘电阻随温度变化而变化的,其变化的程度随绝缘的种类而异。当温度升高时,电导增加,降低了绝缘电阻。
目前我国规定了一定温度下的标准数值,尽可能在相近温度下进行测试,以减少由于温度换算引起的误差。
3.表面脏污和受潮
表面脏污或受潮会使其表面电阻率大大降低,绝缘电阻将明显下降。必须设法消除表面泄漏电流的影响,以获得正确的测量结果。
4.被试设备剩余电荷
对有剩余电荷的被试设备进行试验时,会出现虚假现象,由于剩余电荷的存在会使测量数据虚假地增大或减小。
要求在试验前先充分放电10min,以消除剩余电荷。
5.绝缘电阻测试仪容量
实测表明,绝缘电阻测试仪的容量对绝缘电阻、吸收比和极化指数的测量结果都有一定的影响。绝缘电阻测试仪容量愈大愈好。考虑到我国现有一般绝缘电阻测试仪的容量水平,推荐选用最大输出电流1mA及以上的绝缘电阻测试仪,这样可以得到较准确测量结果。
七、测量结果
规程规定了电力设备绝缘电阻允许值。
将所测得的结果与有关数据比较。通常用来作为比较的数据包括:同一设备的各相间的数据、出厂试验数据、耐压前后数据等。如发现异常,应立即查明原因或辅以其他测试结果进行综合分析、判断。
吸收比仅反映测量刚开始时的数据,不能或来不及反映介质的吸收过程。而极化指数测量时间较长,在一定程度上反映了部分介质吸收过程,因此极化指数在判断绝缘受潮问题上比吸收比更为准确。所以,对于吸收过程较长的大容量设备,如大型变压器、发电加、电缆等,有时用R60/R15吸收比值不足以反映绝缘介质的电流吸收全过程,为更好地判断绝缘是否受潮,可采用极化指数衡量。
极化指数测量加压时间较长,用手摇绝缘电阻测试仪很难控制转速稳定,一般采用电动绝缘电阻测试仪测量。测定的电介质吸收比率与温度无关,变压器的极化指数一般应大于1.5,绝缘较好时其值可达3—4。