介质损耗角正切测量
1.试验目的
测量变压器的介质损耗角正切值tanδ主要用来检查变压器整体受潮、釉质劣化、绕组上附着油泥及严重的局部缺陷等,是判断31.5MVA以下变压器绝缘状态的一种较有效的手段。测量变压器的介质损耗角正切值是将套管连同在一起测量的,但是为了提高测量的准确性和检出缺陷的灵敏度,必要时可进行分解试验,以判明缺陷所在位置。
2.结果处理
表4-4给出了《规程》规定tanδ测量值,测量结果要求与历年数值进行比较,变化应不大于30%。当采用电桥法测量时,对于工作电压10kV及以上的绕组,试验电压为10kV;对于工作电压为10kV及其以下的绕组,试验电压为额定电压。当采用M型试验器时,试验电压通常采用2500V。
|
变压器电压等级
|
330~500kV
|
66~220kV
|
35kV及以下
|
|
tanδ
|
0.6%
|
0.8%
|
1.5%
|
3.注意事项
测量温度以顶层油温为准,尽量使每次测量的温度相近。测量应尽量在油温低于50℃下进行,不同温度下(t1、t2)的tanδ值(tanδ1、tanδ2)可按如下工程简化公式进行换算:
变压器介质损耗角正切测量结果常受表面泄露和外界条件(如干扰电场和大地条件)的影响,应采取措施减少和消除这种影响。
4.测量方法
(1)平衡电桥测量方法
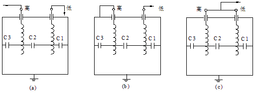
由于变压器外壳均直接接地,所以多采用QS-1型西林电桥的反接法进行测量。对双绕组和三绕组变压器的测量部位见表5-5。
|
双绕组变压器
|
三绕组变压器
|
||||
|
序号
|
测量端
|
接地端
|
序号
|
测量端
|
接地端
|
|
1
|
高压
|
低压+铁芯
|
1
|
高压
|
中压、铁芯、低压
|
|
2
|
低压
|
高压+铁芯
|
2
|
中压
|
高压、铁芯、低压
|
|
3
|
高压+低压
|
铁芯
|
3
|
低压
|
高压、铁芯、中压
|
|
|
|
|
4
|
高压+低压
|
中压、铁芯
|
|
|
|
|
5
|
高压+中压
|
低压、铁芯
|
|
|
|
|
6
|
低压+中压
|
高压、铁芯
|
|
|
|
|
7
|
高压+中压+低压
|
铁芯
|
对双绕组变压器测量tanδ及C时,接线如图4-1所示。从上述接线方式中可以清晰地看出,测量所得的数据并不是各绕组的tanδ和C,需要在测量后进行计算。

对于三绕组变压器测量C及tanδ的接线方式如图4-2所示。


可以推导出变压器各绕组对地和变压器绕组间的C和tanδ
(2)、非平衡电桥测量法
用非平衡电桥测量(M型介质试验器)双绕组和三绕组变压器的tanδ,其测量顺序和方法按表4-6所示方法进行。测量时M型介质试验器的试验电压均为2500V。
|
双绕组变压器
|
三绕组变压器
|
||||||
|
序号
|
测量部位
|
屏蔽绕组
|
序号
|
测量部位
|
屏蔽绕组
|
||
|
测量端
|
接地端
|
测量端
|
接地端
|
||||
|
1
|
高压
|
低压
|
--
|
1
|
高压
|
低压
|
中压
|
|
2
|
高压
|
--
|
低压
|
2
|
高压
|
--
|
低压、中压
|
|
3
|
低压
|
低压
|
--
|
3
|
低压
|
中压
|
高压
|
|
4
|
低压
|
--
|
低压
|
5
|
低压
|
--
|
高压、中压
|
|
|
|
|
|
5
|
中压
|
高压
|
低压
|
|
|
|
|
|
6
|
中压
|
--
|
高压、低压
|
|
|
|
|
|
7
|
全部
|
--
|
--
|
在双绕组变压器中,试验2直接测出高压-地的tanδ,试验4直接测出低压-地的tanδ。若试验1、2、3、4所测量的视在功率分别为S1、S2、S3、S4,有功功率分别为P1、P2、P3、P4,则高压-低压之间的
。
在三绕组变压器中,试验2、4、6可直接测出高压、低压、中压对地的tanδ。若试验1、2、3、4、5、6所测得的视在功率分别为S1、S2、S3、S4、S5、S6,有功功率分别为P1、P2、P3、P4、P5、P6,则高压-低压之间的
,低压-中压之间的
,中压-高压之间的
。
在电气试验中容易出现的错误接线分析
根据《电力设备预防性试验规程》(DL/T596-1996)的规定, QSI型高压西林电桥测量电力变压器绕组介质损耗因数的正确接线。其被试绕组短接加高压,非被试绕组短接接地,以避免因绕组电感的影响而造成各侧绕组端部和尾部电位差较大,影响测量的准确度。
常见的错误接线为绕组不短接。应用等值电路分析可知,所测得的介质损耗因数tanδ’大于实际值tanδ。当绕组两端短接后再加压时,则由于电容电流在电感性绕组内方向相反,产生相互抵消的磁通,即电感L值极小,将不致产生太大的误差。现场曾对某6.3MVA、220kV电力变压器在不同接线的测量结果下表,绕组不短接测得的介质损耗因数,明显大于绕组短接后的测量值。
有关产品购买、信息咨询、技术资料等欢迎致电:027-87771780
来源:彩虹多多官方网站