彩虹多多



热门关键词: 高压开关动作特性测试仪 断路器特性测试仪 彩虹多多:变压器综合测试系统 承装承试设备选型 高压开关测试仪 变压器综合测试 串联谐振

联系彩虹多多

及时联系彩虹多多 为您解答产品相关疑问 欢迎拨打全国统一服务热线

销售电话: 027-8777 1781
                027-8777 1782
服务电话 133 9713 6633 
传真电话: 027-8777 1786
电子邮箱: whhdgk@126.com

电力变压器的绝缘性能试验之交流耐压试验

您的位置:彩虹多多 >> 服务支持 >> 技术文章

 交流耐压试验
    交流耐压试验是鉴定绝缘强度最有效的方法,特别对考核主绝缘的局部缺陷。如绕组主绝缘受潮、开裂、绕组松动、绝缘表面污染等,具有决定性作用。
    交流耐压试验对于10kV以下的电力变压器每1~5年进行一次;对于66kV及以下的电力变压器仅在大修后进行试验,如现场条件不具备,可只进行外施工频耐压试验;对于其他的电力变压器只在更换绕组后或必要时才进行交流耐压试验。
    1.电力变压器更换绕组后的交流耐压试验标准
    电力变压器交流试验电压值(油浸式)

额定电压(kV)

最高工作电压(kV)

线端交流耐压值(kV)
中性点交流耐压值(kV)
全换绕组
部分换绕组
全换绕组
部分换绕组

<1

≤1

3
2.5
3
2.5
3
3.5
18
15
18
15
6
6.9
25
21
25
21
10
11.5
35
30
35
30
15
17.5
45
38
45
38
20
23.0
55
47
55
47
35
40.5
85
72
85
72
66
72.5
140
120
140
120
110
126
200
170(195)
95
80
220
252
300/395
306/336
85(200)
72(170)

 注:(1)定期试验按部分换绕组电压值;
        (2)括号内数值用于不固定接地或小电流接地系统;
        (3)干式变压器定期试验按出厂值85%进行。
    在变压器注油后进行试验时,需要静置一定时间。通常500kV变压器静置时间大于72h,220kV变压器静置时间大于48h,110kV变压器静置时间大于24h.。
    出厂试验电压标准同全部更换绕组的电压标准,而大修后的试验电压标准同部分更换绕组后试验电压标准。
    2.接线方法
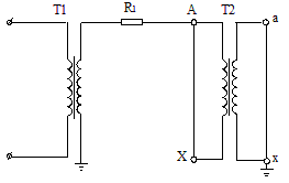
    进行交流耐压试验时,被试变压器的正确接线方式是被试绕组所有套管应短路连接(短接)并接高压,非被试绕组也要短接并可靠接地,如图4-3所示,图中只画出了一组绕组。

变压器交流耐压试验的正确接线方式
图4-3 变压器交流耐压试验的正确接线方式
T1---试验变压器;T2---被试变压器

 当进行交流耐压试验时,变压器的连接方式不正确,可能损坏被试变压器绝缘。
    3.绝缘故障判断
    在变压器交流耐压试验时,除了发生击穿可以判断变压器存在绝缘故障外,还可以根据试验过程中的一些异常现象来判断是否存在隐含的绝缘缺陷:
    (1)在升压阶段或持续时间阶段,发生清脆、响亮的“当”、“当”放电声音,这种声音很像金属物撞击油箱的声音,这往往是由于油隙距离不够或者是电场畸变等所造成的油隙一类绝缘结构击穿所致。而且此时还伴有放电声,电流表指示值产生突变。当重复进行试验时,放电电压下降并不明显。
    (2)试验中,若发生较小的“当”、“当”放电声,且仪表摆动不大,在重复试验时放电现象却消失了。这往往是变压器油中有气泡,在电场力的作用下,可能形成一条一定长度的很狭窄的气隙通道,由于气泡的耐电强度比油低,当气隙通道发展到一定长度时,将可能导致气隙通道击穿,最后导致变压器油击穿。如果变压器油中气泡不多,气隙通道放电后缩短了,这时气泡被击穿后,变压器油可能不再击穿。这种局部击穿所出现的放电声音,可能是轻微、断续的,电流表的指示值也不会变动。由气泡所引起的无论是贯穿性的或者是局部性的放电,在重复试验中可能会消失,因为在放电后,气泡容易从上部逸走。
    (3)在加压过程中,变压器内部有炒豆般的放电声,而电流表的指示值还很稳定,这可能是由于悬浮的金属件对地放电所致。在制造过程中,铁心可能没有和夹件通过金属片连接,使铁心在电场中悬浮,由于静电感应的作用,在一定电压下,铁心对接地的夹件就开始放电。


有关产品购买、信息咨询、技术资料等欢迎致电:027-87771780

来源:彩虹多多官方网站

上一篇: 电力变压器的绝缘性能试验之介质损耗角正切测量
下一篇: 电力变压器的绝缘性能试验之变压器油中水分测量
版权说明:本站所有文章、图片、视频等资料的版权均属于彩虹多多官网-追求健康,你我一起成长 chdd ,其他任何网站或单位未经允许禁止转载、用于商业盈利,违者必究。如需使用,请与彩虹多多 联系;允许转载的文章、图片、视频等资料请注明出处"来自:武汉彩虹多多"。

荣誉客户

荣誉资质